EasyManua.ls Logo

Shinko PCB1 - CT Dimensions

Shinko PCB1
160 pages
Print Icon
To Next Page IconTo Next Page
To Next Page IconTo Next Page
To Previous Page IconTo Previous Page
To Previous Page IconTo Previous Page
Loading...
- 13 -
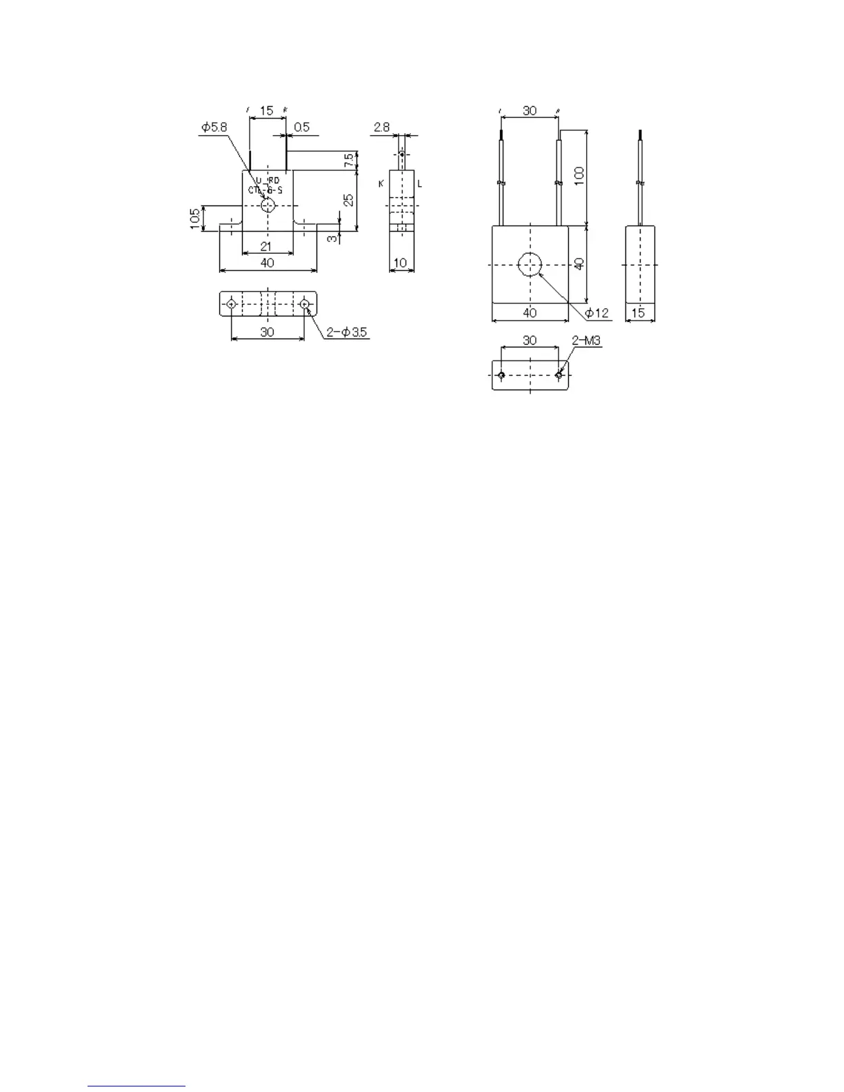
3.3 CT (Current Transformer) External Dimensions (Scale: mm)
CTL-6-S-H (for 20 A) CTL-12-S36-10L1U (for 100 A)
(Fig. 3.3-1)

Table of Contents

Related product manuals