EasyManua.ls Logo

Yamaha 40V - Exploded Diagram

Yamaha 40V
224 pages
Print Icon
To Next Page IconTo Next Page
To Next Page IconTo Next Page
To Previous Page IconTo Previous Page
To Previous Page IconTo Previous Page
Loading...
6-13
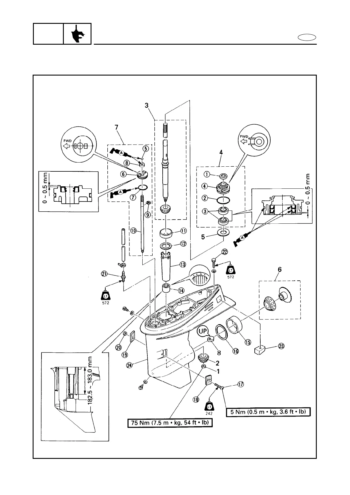
LOWR
E
DRIVE SHAFT, FORWARD GEAR AND SHIFT ROD
EXPLODED DIAGRAM

Table of Contents