EasyManua.ls Logo

BLEMO ER24 Series - Line Contactor Command

BLEMO ER24 Series
344 pages
Print Icon
To Next Page IconTo Next Page
To Next Page IconTo Next Page
To Previous Page IconTo Previous Page
To Previous Page IconTo Previous Page
Loading...
Configuration Mode (ConF)
220
24 V
_
source
+24 V
0 V
Emergency
stop
Run/Reset
K11
K10
K11
KM1
L1 L2 L3
ATV
pp
U
V
W
P24 COM
LI
p
LIn
+24
K11
M
3
or
K10
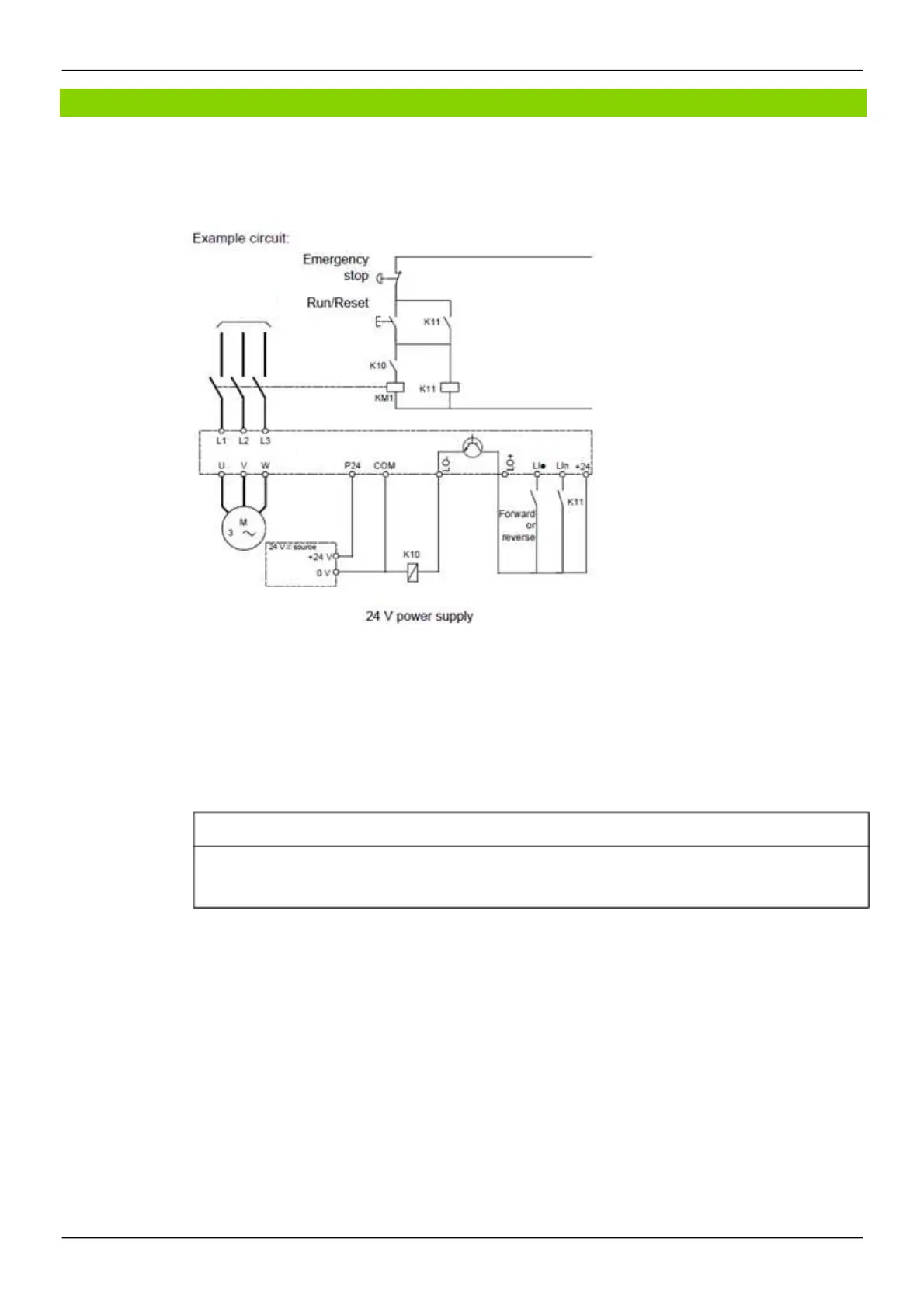
LINE CONTACTOR COMMAND
The line contactor clos es every tim e a run com mand (forward or revers e) is s ent and opens after every stop,
as s oon as the drive is locked. For exam ple, if the stop m ode is s top on ram p, the contactor will open when
the m otor reaches zero speed.
Note:
The drive control power s upply m us t be provided via an external 24 V s ource.
Exam ple circuit:
24 V pow er supply
Note:
The "Run/Reset" key m us t be pres s ed once the "Em ergency s top" key has been releas ed.
LI
p
= Run com m and
[Forward]
(Frd)
or
[Reverse]
(rrS)
LO-/LO+ =
[Line contactor ass.]
(LLC)
LIn =
[Drive lock]
(LES)
Parameters described in this page can be accessed by:
DRI- > CONF > FULL > FUN- >LLC-
NOTICE
DAMAGE TO THE DRIVE
Do not use this function at intervals of less than 60 s.
Failure to follow these instructions can result in equipment damage.
LO-
LO+
ER24
3~
supply
m ains

Table of Contents

Related product manuals