EasyManua.ls Logo

Dodge Intrepid - Page 600

Dodge Intrepid
1050 pages
Print Icon
To Next Page IconTo Next Page
To Next Page IconTo Next Page
To Previous Page IconTo Previous Page
To Previous Page IconTo Previous Page
Loading...
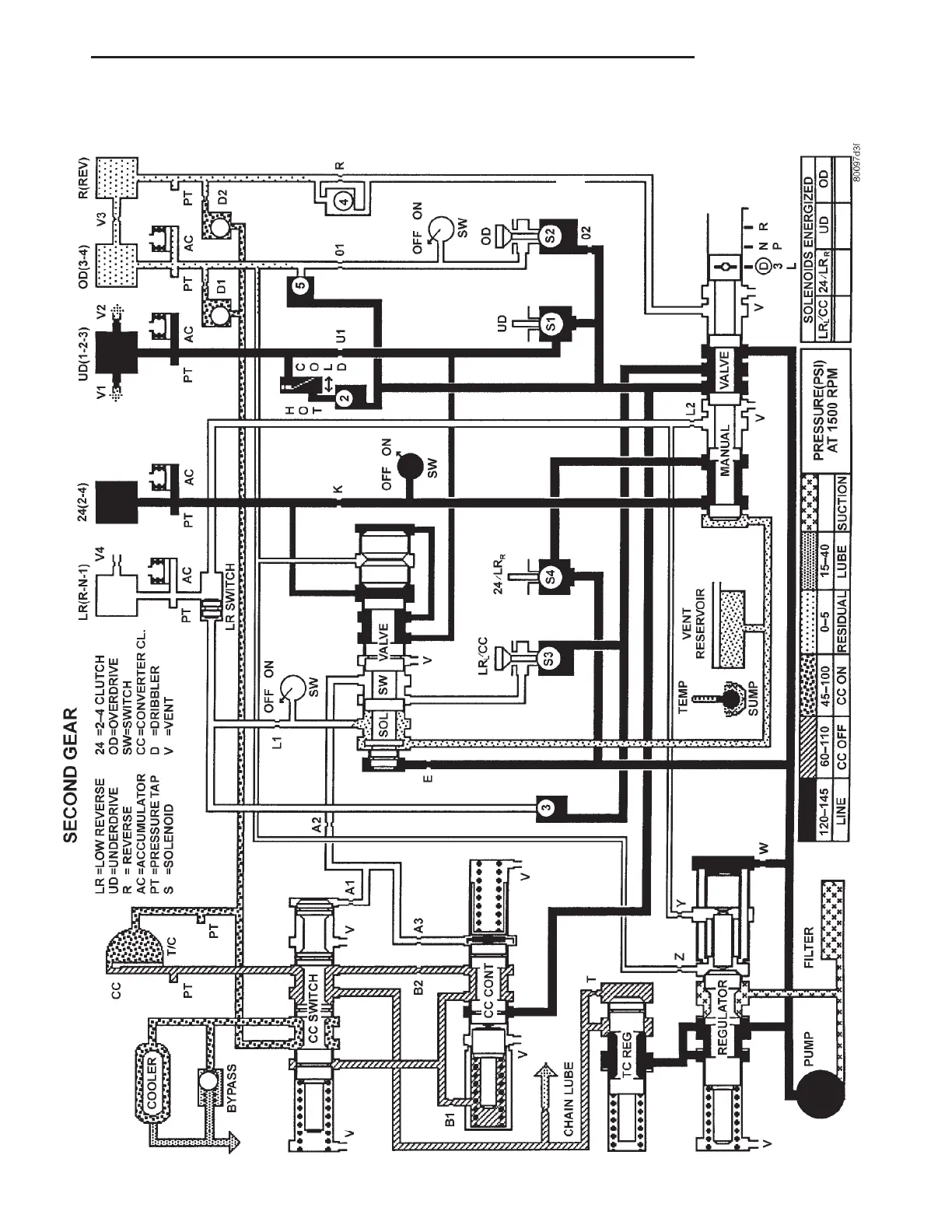
Second Gear
LH TRANSAXLE 21 - 53
42LE AUTOMATIC TRANSAXLE (Continued)

Table of Contents

Other manuals for Dodge Intrepid

Related product manuals