EasyManua.ls Logo

Dodge Intrepid - Page 601

Dodge Intrepid
1050 pages
Print Icon
To Next Page IconTo Next Page
To Next Page IconTo Next Page
To Previous Page IconTo Previous Page
To Previous Page IconTo Previous Page
Loading...
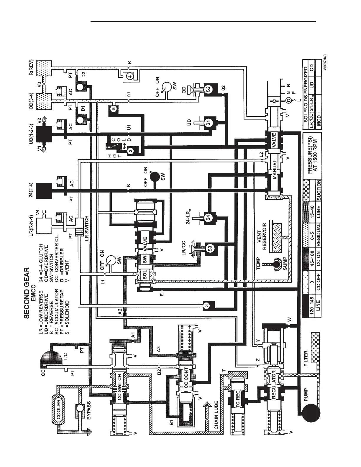
Second Gear (EMCC)
21 - 54 TRANSAXLE LH
42LE AUTOMATIC TRANSAXLE (Continued)

Table of Contents

Other manuals for Dodge Intrepid

Related product manuals