EasyManua.ls Logo

Dräger Cato - Page 125

Dräger Cato
148 pages
Print Icon
To Next Page IconTo Next Page
To Next Page IconTo Next Page
To Previous Page IconTo Previous Page
To Previous Page IconTo Previous Page
Loading...
125
Descriptions
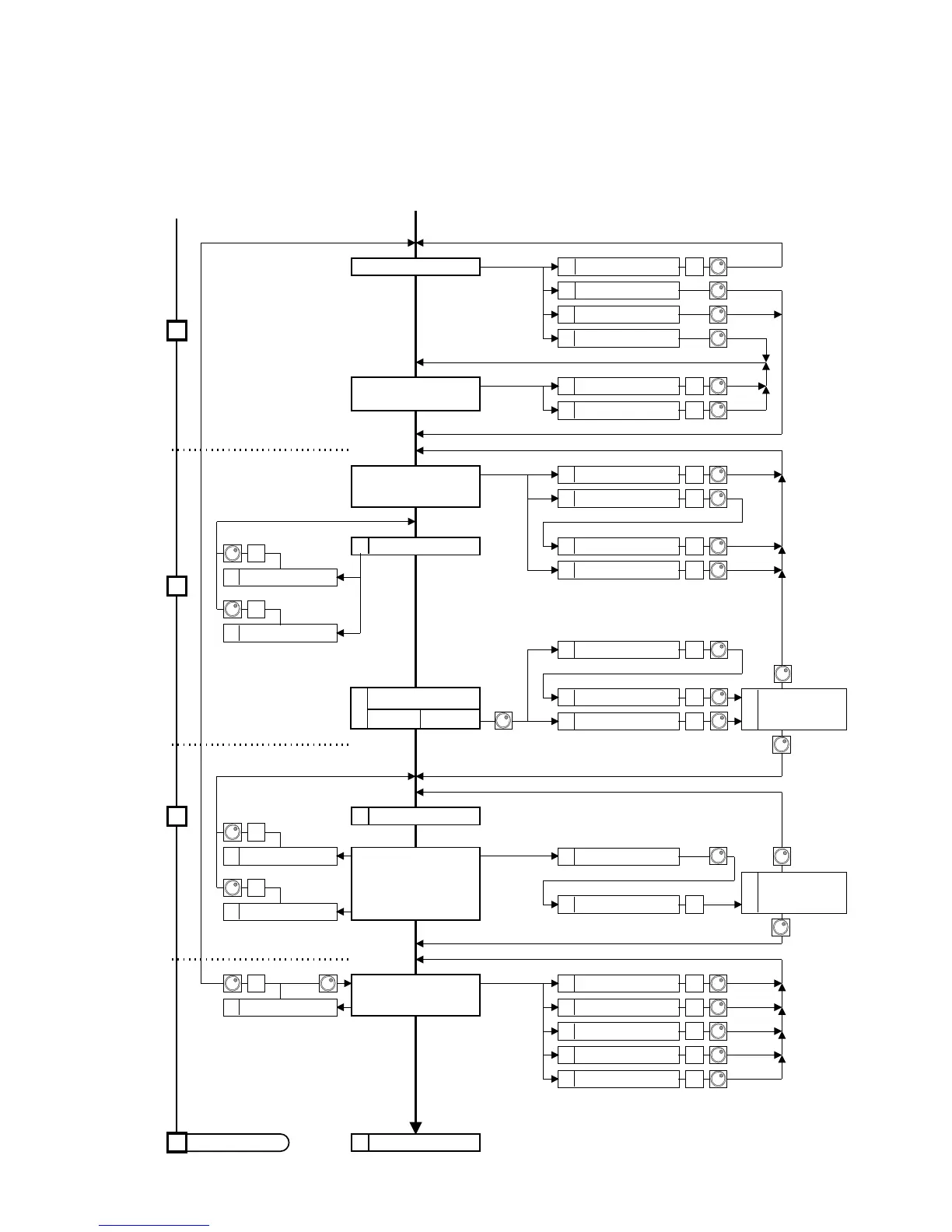
Flow chart of self-test
Flow chart of self-test in ventilator (cont.)
Test blocks:
Subsystem 1 / 2 (IPPV)
Leak < 1.5 L/min at
30 mbar?
A BAG/Fr.gas hose?
A Insp. Valve ?
A Subsyst.1/2 leak
A Subsystem 1 leak
A Subsystem 2 leak
A Fresh gas occl?
A Insp. Valve ?
A APL = 30 mbar ?
A APL MAN. ?
I Standby
Breathing system
Valve function test
F
F
F
F
A BreathSys.defect
F
F
F
F
A Fresh gas occl?
I Leaktest IPPV
F
A Subsystem 3 leak
A Leak = mL/min F
Leak eleminated?
A
Leak accepted ?
F
F
End of self-test
> 5 L/min
I Leaktest MAN.
Subsystem 3
(breathing bag / fresh gas line)
Leak < 300 mL/min
at 30 mbar
A Service Nr. 119
A Service Nr. 115
A Valvedisk defect
A Diaphragm defect
A pneum.Interface?
A Service Nr. 118
F
Control pressure test
Valve and roller diaphragm
test
F
F
A Insp. Valve ?
A Subsystem 1 leak
A Subsystem 2 leak
F
F
F
Leak eleminated?
A
Leak accepted ?
Leak IPPV= mL
A
< 175 > 175
A Fresh gas occl?
A Leakage >10L/min
F
F
A Subsyst.1/2 leak
F
7
9
10
8

Table of Contents

Related product manuals