EasyManua.ls Logo

Dräger Cato - Rebreathing to Match Fresh Gas Flow; Ventilation with Automatic Adjustment of

Dräger Cato
148 pages
Print Icon
To Next Page IconTo Next Page
To Next Page IconTo Next Page
To Previous Page IconTo Previous Page
To Previous Page IconTo Previous Page
Loading...
Ventilation with automatic adjustment of
rebreathing to match fresh gas flow
Most of the breathing systems used for anaesthesia today
are based on the rebreathing principle. Part of the expired
gas is redelivered to the patient after absorbing CO2 and
enriching with anaesthetic gases and anaesthetic agent.
The excess anaesthetic is scavenged, the amount of
scavenged anaesthetic gas essentially depending on the
set fresh gas flow.
Administration of anaesthetic gas with reduced fresh gas
flow (low-flow technique) yields a number of major
advantages: lower consumption of anaesthetic gases and
agents, more effective humidification and heating of the
inspiratory gas, lower environmental burden and good
manual ventilation properties.
The design of the breathing system is an aspect of
essential importance for low-flow anaesthesia. The high
degree of fresh gas utilization is a major prerequisite.
Systems suitable for low-flow techniques should be
designed so that it is impossible, firstly, for too much
expiration gas to disappear in the anaesthetic scavenging
line without building up a constant pressure and,
secondly, for fresh gas to escape without first having
been administered to the patient.
In closed anaesthesia systems, anaesthetic gas cannot
escape from the breathing system and no more fresh gas
is delivered than is actually required by the patient. How-
ever, closed systems must also meet additional require-
ments:
the breathing system must be absolutely tight and must
feature additional monitoring and control elements.
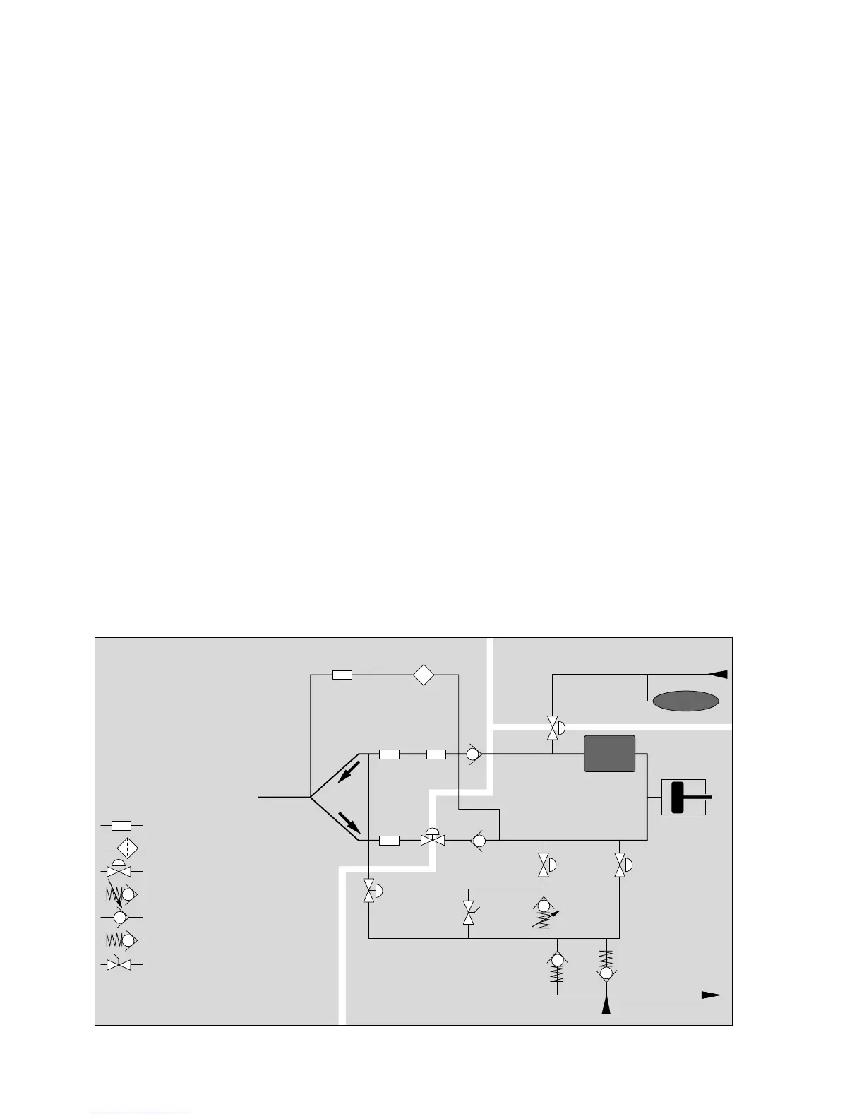
The breathing system implemented in the Cato auto-
matically matches its degree of openness to the fresh
gas flow.
During inspiration, breathing gas streams from the piston
pump to the patient. Valve V2 of the excess gas outlet
and the fresh gas shutoff valve V1 are closed. Expiration
is initiated when the fresh gas shutoff valve V1 is opened.
Expired gas from the patient's lungs streams into the
breathing bag which serves as a reservoir and also into
the retracting piston pump. The excess gas outlet valve
V2 is closed.
Unlike the case with conventional semi-closed breathing
systems, the valve opening time for discharging excess
gas is controlled as required. The system remains open
longer for anaesthesia with high fresh gas flow.
If the fresh gas flow is inadequate in closed anaesthesia
systems, the pressure measuring function will detect that
the patient's expiratory pressure has dropped below
approx. – 3 mbar.
This shortage of fresh gas is signalled by the Cato and
the piston pump stops in order to avoid a negative
pressure in the patient.
Descriptions
Ventilation with automatic adjustment of
rebreathing to match fresh gas flow
126
Piston pump
Fresh gas
Breathing bag
Exp.(V5)
V3
V8 V9
Insp.(V4)
V1
PEEP (V6)
APL
*
Pressure O2
MAN/SPONT
changeover
V2
V7
Legend
Subsystem 1
Subsystem 3
Sensor
Filter
Pilot-operated diaphragm valve
Variable-resistance valve
Directional valve
Spring-loaded directional valve
Manually actuated two-way valve
Subsystem 2
Measured gas return line
A-Gas, CO2, O2
Patient
Absorber
07928971

Table of Contents

Related product manuals