EasyManua.ls Logo

Dräger Cato - Default Chapter; Flow Chart of Self-Test

Dräger Cato
148 pages
Print Icon
To Next Page IconTo Next Page
To Next Page IconTo Next Page
To Previous Page IconTo Previous Page
To Previous Page IconTo Previous Page
Loading...
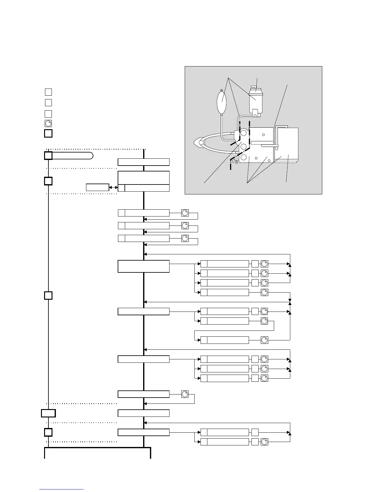
Flow chart of self-test
Descriptions
Flow chart of self-test
124
Flow chart of self-test in ventilator
Test sequence *
)
:
Legend:
Display in dialogue window of ventilator
Indicated faults must be remedied,
instructions and advisories observed.
Information in dialogue window of ventilator
Press rotary control
Correspondingly numbered test blocks in VT window
I Sensors calib. !
Start self-test
Make contact with
system monitor
A Remove piston
A BREATH.SYS.LEAK!
A Insert piston
Various electrical tests
2
F
Monitor
Test operating control
pressure
Continued on next page ...
3
A Fresh gas occl?
A APL = 30 mbar ?
A Y-piece open ?
A Piston defect
A Supply pressure?
A Contr.press. low
A Service Nr. 120
F
F
F
Check piston
A Y-piece open ?
A P-Sensor fault
A BreathSys.defect
F
F
F
Zero pressure sensor
Y-piece occluded?
Various electrical tests
A Contr.press. low
A BreathSys.defect
F
F
Position piston
1
4 / 5
6
F
A
I
Subsystem 1 Subsystem 2
Subsystem 3
Piston pumpe
Vapor Pneumatic
interface
#
*
) The normal course of the self-test is illustrated here. The order of test
steps may be varied by the machine in order to optimize the test time.
07828971

Table of Contents

Related product manuals