EasyManua.ls Logo

EXFO Power Blazer - Page 70

EXFO Power Blazer
887 pages
Print Icon
To Next Page IconTo Next Page
To Next Page IconTo Next Page
To Previous Page IconTo Previous Page
To Previous Page IconTo Previous Page
Loading...
Test Setup - Test Applications
60 88000 Series
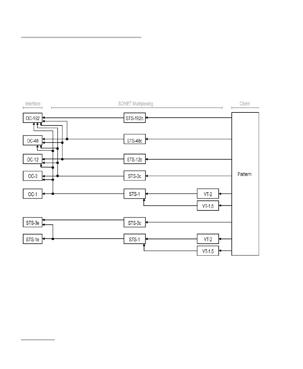
SONET/SDH BERT
Path/Mapping
The SONET/SDH BERT test application offers the following
path/mapping structures depending on the inserted transceiver, and
enabled options.
For SONET BERT

Table of Contents

Other manuals for EXFO Power Blazer

Related product manuals