EasyManua.ls Logo

Fronius ROB 4000 TIG - Beschaltung der Eingänge und Ausgänge; Beschaltung eines Digitalen Ausganges; Beschaltung eines Digitalen Einganges; Beschaltung eines Analogen Ausganges

Fronius ROB 4000 TIG
112 pages
Go to English
To Next Page IconTo Next Page
To Next Page IconTo Next Page
To Previous Page IconTo Previous Page
To Previous Page IconTo Previous Page
Loading...
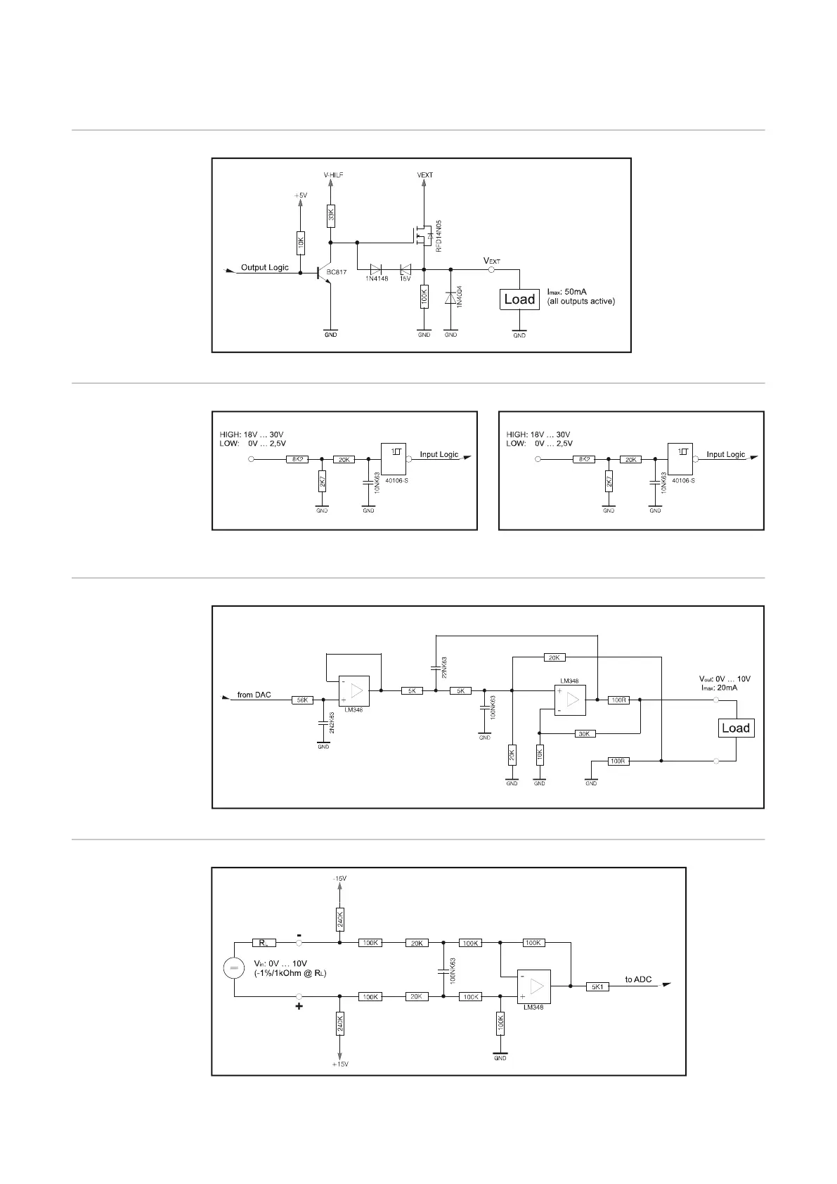
Beschaltung der Eingänge und Ausgänge
Beschaltung
eines digitalen
Ausganges
Beschaltung
eines digitalen
Einganges
ROB 4000/5000 ROB 5000 OC
Beschaltung
eines analogen
Ausganges
Beschaltung
eines analogen
Einganges
32

Table of Contents

Related product manuals