EasyManua.ls Logo

Gilera Fuoco 500 - Page 277

Gilera Fuoco 500
396 pages
Print Icon
To Next Page IconTo Next Page
To Next Page IconTo Next Page
To Previous Page IconTo Previous Page
To Previous Page IconTo Previous Page
Loading...
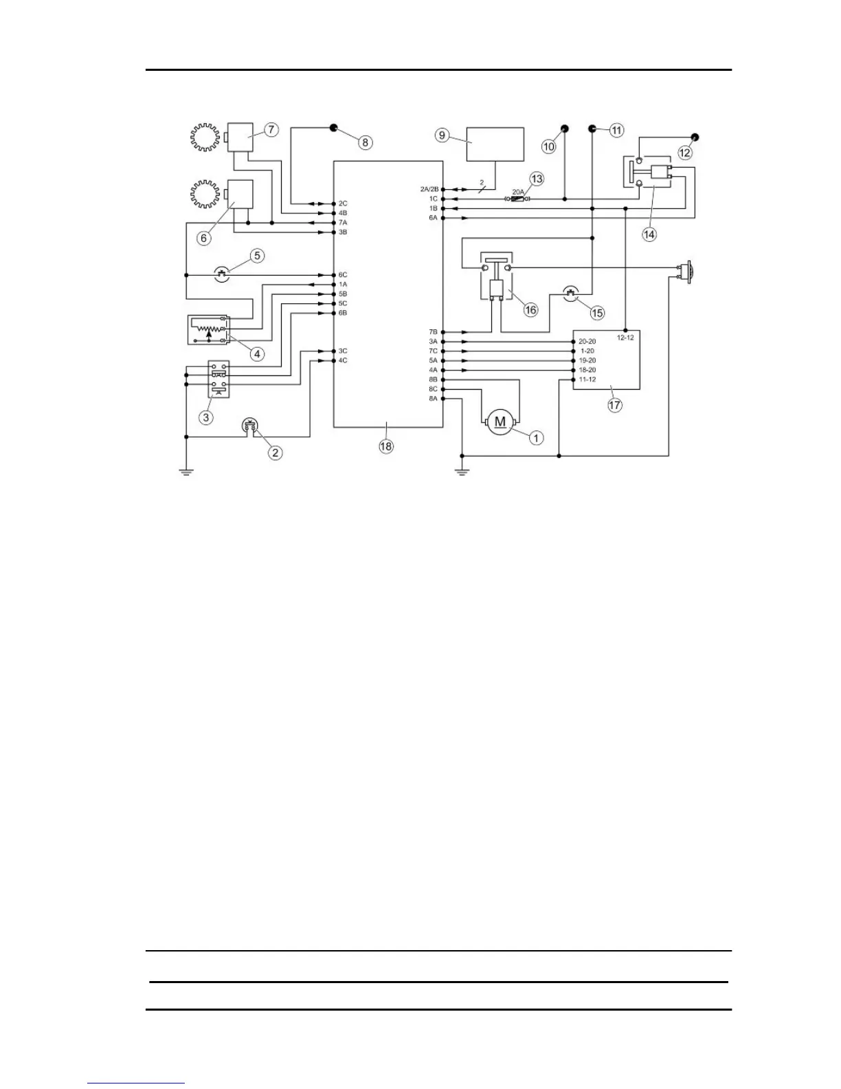
KEY
1. Geared motor
2. Brake calliper sensor
3. Tilt unlocking-locking control switch
4. Potentiometer
5. Rider presence sensor
6.Left speed sensor
7.Right speed sensor
8. Diagnostic tester serial line
9. Engine electronic control unit
10. Direct +Battery
11. Live +Battery
12. To light switch
13. 20A Fuse No. 4
14. Light remote control
15. Pressure switch
16. Horn remote control
17. Instrument panel
18. Tilt locking system control unit
GEARED MOTOR
Fuoco 500 i.e. Suspensions
SUSP - 31

Table of Contents

Related product manuals