EasyManua.ls Logo

Gilera Fuoco 500 - Page 56

Gilera Fuoco 500
396 pages
Print Icon
To Next Page IconTo Next Page
To Next Page IconTo Next Page
To Previous Page IconTo Previous Page
To Previous Page IconTo Previous Page
Loading...
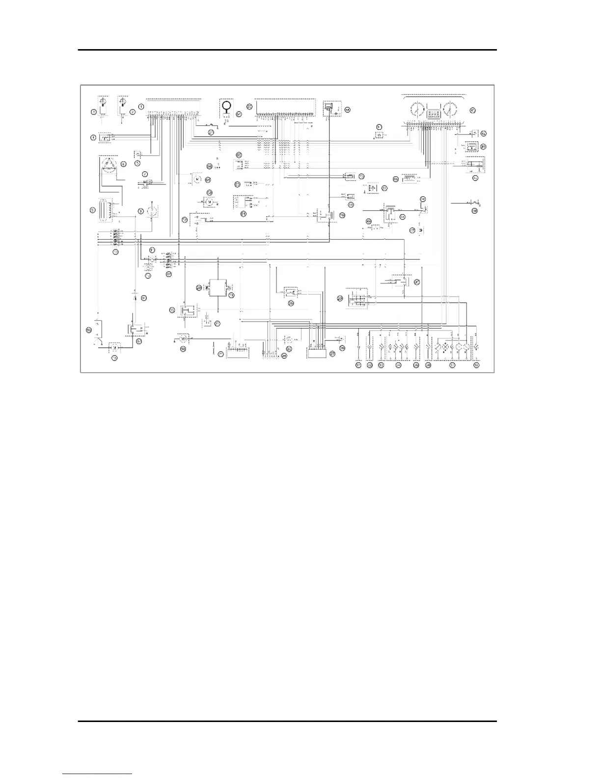
KEY
1. Parking electronic control unit
2. Right speed sensor
3. Left speed sensor
4. Potentiometer
5. Rider presence sensor
6. Magneto flywheel
7. Locking/unlocking switch
8. LV socket
9. Voltage regulator
10. Main fuses
11. Key switch contacts
12. Auxiliary fuses
13. Key switch contacts
14. Fuse
15. Battery
16. Starter motor
17. Start-up remote control switch
18. Saddle opening actuator
19. Start-up enabling remote control
Electrical system Fuoco 500 i.e.
ELE SYS - 2

Table of Contents

Related product manuals