EasyManua.ls Logo

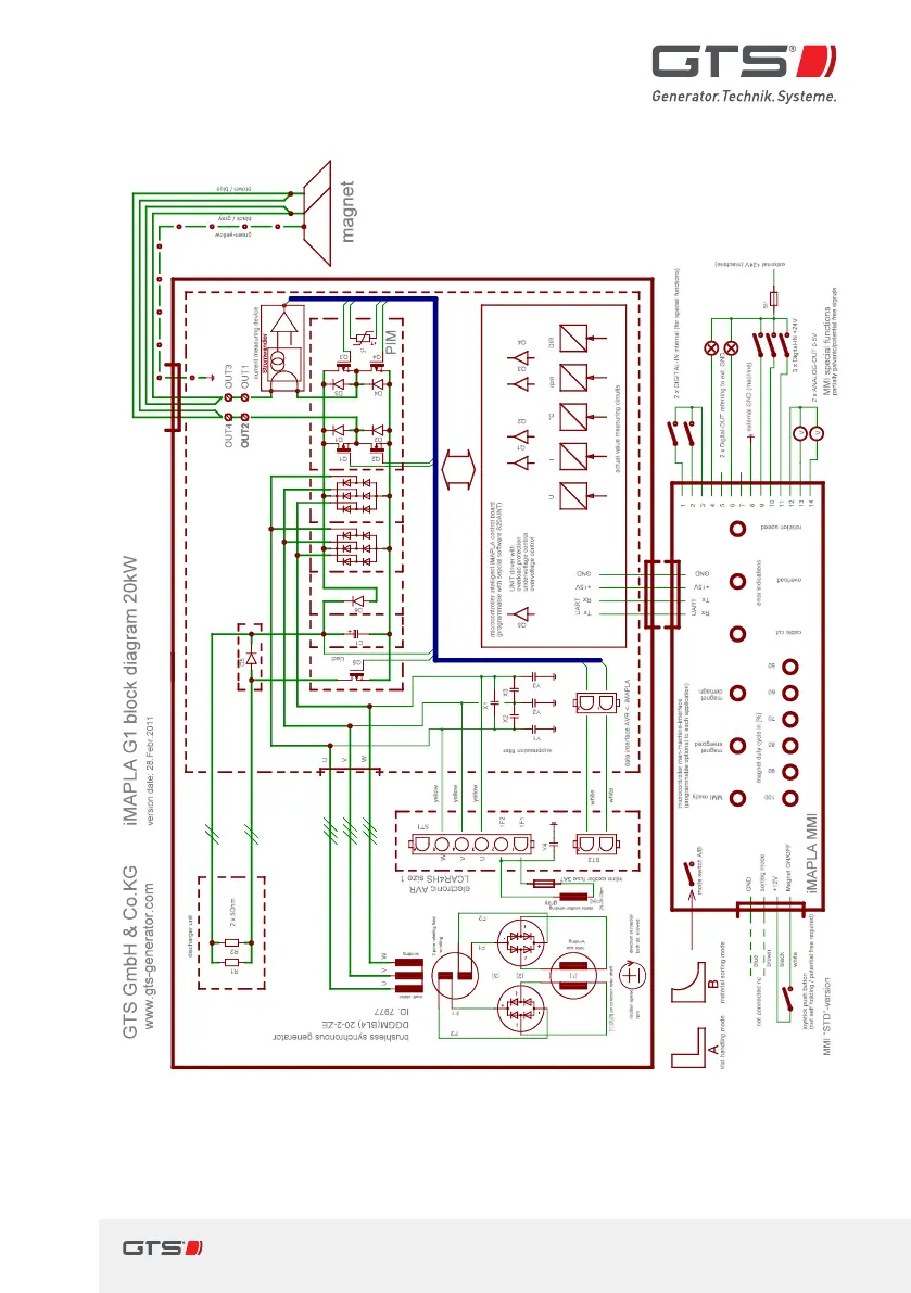
GTS iMAPLA series - Fig. 39 Block Circuit Diagram 20 Kw

GTS iMAPLA series
168 pages
Print Icon
To Next Page IconTo Next Page
To Next Page IconTo Next Page
To Previous Page IconTo Previous Page
To Previous Page IconTo Previous Page
Loading...
Page 161 Issue 08/2013
Block circuit diagram
Fig. 39 Block circuit diagram 20kW

Table of Contents