EasyManua.ls Logo

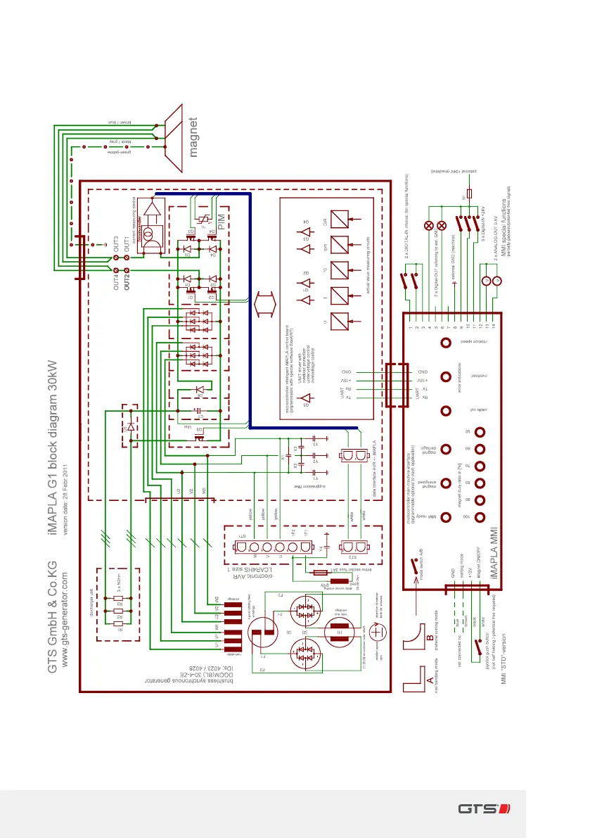
GTS iMAPLA series - Fig. 40 Block Circuit Diagram 30 Kw

GTS iMAPLA series
168 pages
Print Icon
To Next Page IconTo Next Page
To Next Page IconTo Next Page
To Previous Page IconTo Previous Page
To Previous Page IconTo Previous Page
Loading...
Issue 08/2013 Page 162
MAPLA- Modular energy supply system for load lifting magnets
Block circuit diagram
Fig. 40 Block circuit diagram 30kW

Table of Contents