EasyManua.ls Logo

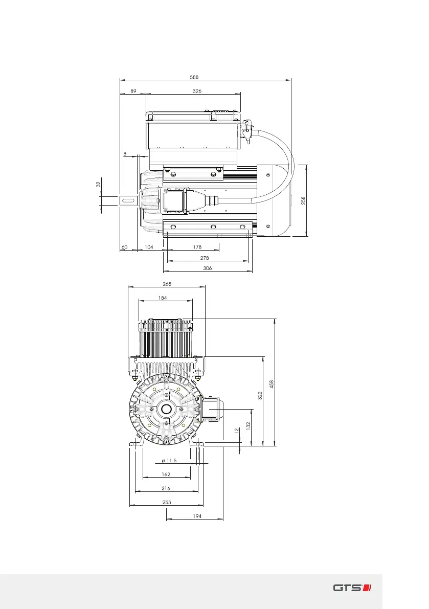
GTS iMAPLA series - Fig. 21 Dimensioned Drawing Imapla 17 One Unit

GTS iMAPLA series
168 pages
Print Icon
To Next Page IconTo Next Page
To Next Page IconTo Next Page
To Previous Page IconTo Previous Page
To Previous Page IconTo Previous Page
Loading...
Issue 08/2013 Page 46
MAPLA- Modular energy supply system for load lifting magnets
iMAPLA system description
Dimensions of the systems
Fig. 21 Dimensioned drawing iMAPLA 17 “One Unit

Table of Contents