EasyManua.ls Logo

Honeywell 5704 - Page 91

Honeywell 5704
191 pages
Print Icon
To Next Page IconTo Next Page
To Next Page IconTo Next Page
To Previous Page IconTo Previous Page
To Previous Page IconTo Previous Page
Loading...
4-28
MAN0448_Issue 13_01-2010 5704 Control System
005704-M-5001 A03249
CHAPTER 4 - INSTALLATION INSTRUCTIONS
Apex Link
Settings:
SK4
(Comms
and
Power)
Apex
1
2
3
4
5
6
7
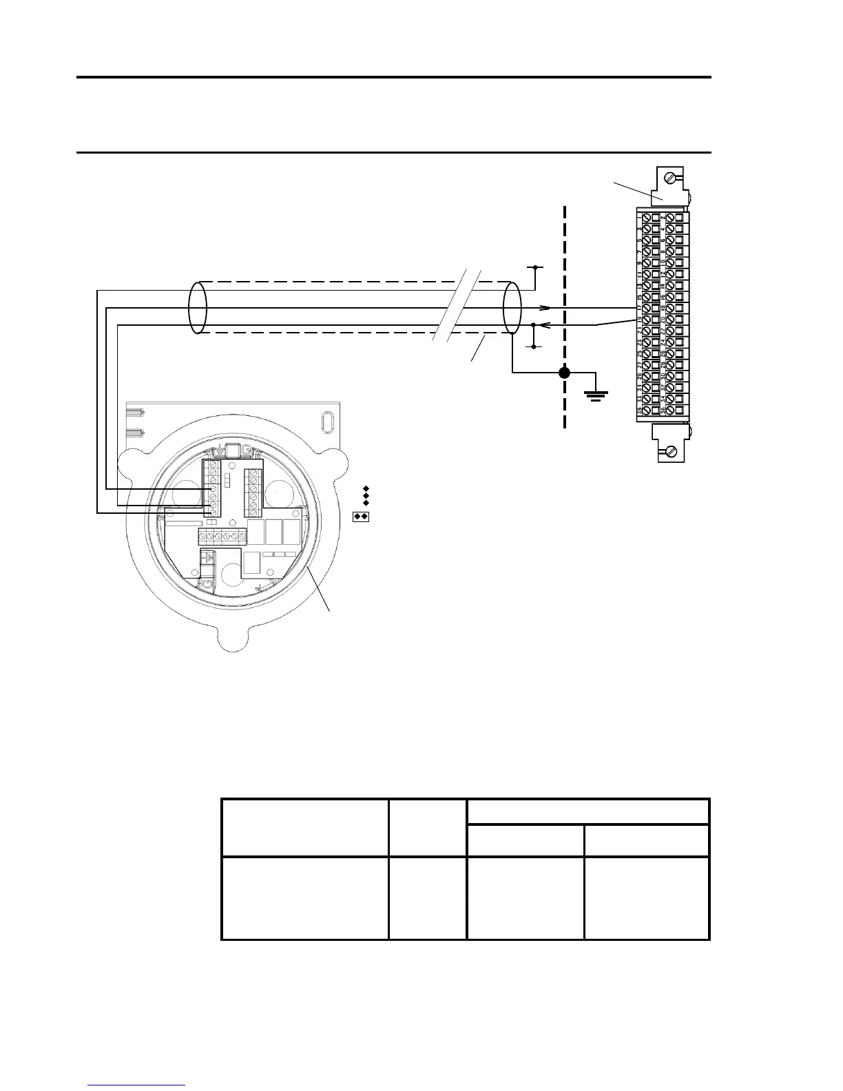
Channel Transmitter Connection
01 NS
Quad Relay 1 17 19
Interface Connections 2 18 20
3 23 25
4 24 26
Three Wire Control Card Current Sink, Transmitter Current
Source Connection for Apex (Signal Returned to 0V Supply)
Notes: 1. The Apex Transmitter should be earthed locally. The transmitter is earthed through
the Earth Stud, to avoid earth loops the screen sheath of the cable should only be
connected at the transmitter.
2. The above diagram shows the sensor connections for Channel 1. Channels 2, 3 and
4 connections are similar and their pin connection numbers are shown below:
Arrows Indicate Direction of
Loop Current Flow
+24V
4 - 20mA(-)
0V
Apex Transmitter
Screened
Cable
01
NS
Quad Relay Interface Card
05704-A-0121
17
19
Cabinet
Protective
Earth
+24V*
0V*
* 24V supply may be obtained
from either the cabinet or a
separate eld supply
J4
J5

Table of Contents

Related product manuals