EasyManua.ls Logo

IAI RoboNet - Page 274

IAI RoboNet
398 pages
Print Icon
To Next Page IconTo Next Page
To Next Page IconTo Next Page
To Previous Page IconTo Previous Page
To Previous Page IconTo Previous Page
Loading...
254
Part 2 Startu
p
Cha
p
te
r
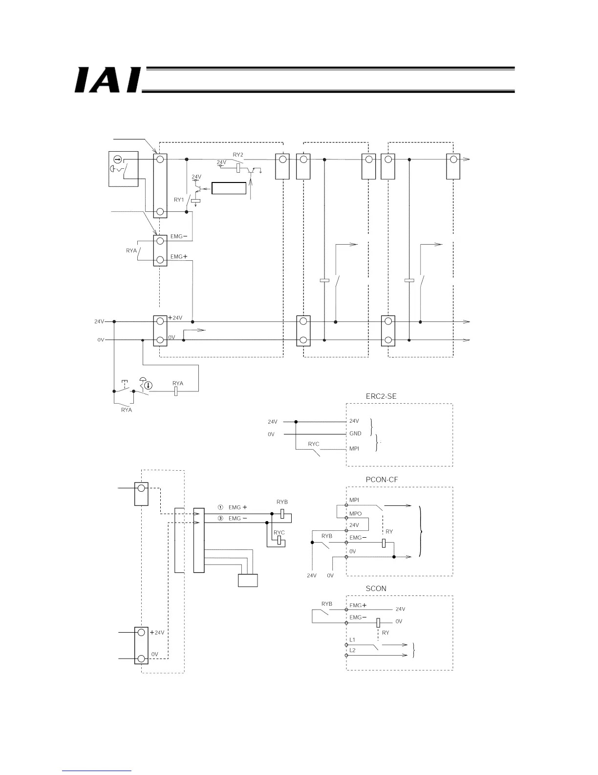
(2) An emergency stop circuit for normal layout when external SIO link is used is shown below.
[1]
[3]
[1]
[2]
[3]
EMG connector
TP connector
Teaching pendant
GateWayR unit Axis controller unit
ROBONET Communication Connector
Drive-source cutoff signal
(CPU control signal)
Motor drive source
Drive-source cutoff relay
Power-supply input terminal block
Internal power supply common
GND
Emergency
stop reset
Emergency stop
TP connection
detection circuit
Axis controller unit
Motor drive source
Drive-source cutoff relay
red
black
y
ellow
(orange)
(gray)
Controller connection
cable
Control power
e-CON connector
Motor drive power
Motor
Motor
[2]
Extension unit

Table of Contents

Related product manuals