EasyManua.ls Logo

IAI RoboNet - How to Connect Teaching Tool When Grounding Positive Terminal of 24-V Power Supply

IAI RoboNet
398 pages
Print Icon
To Next Page IconTo Next Page
To Next Page IconTo Next Page
To Previous Page IconTo Previous Page
To Previous Page IconTo Previous Page
Loading...
262
Part 2 Startu
p
Cha
p
te
r
Teaching pendant
PC, etc.
Do not
connect
the FG.
Do not connect the FG of the PC to ground.
If the FC may be connected to ground
through other COM port, disconnect the
communication cable from the applicable
COM port.
PC software
RS232 connection type
<Model: RCM-101-MW>
USB connection type
<Model: RCM-101-USB>
* The cable is supplied with the PC software.
SIO converter (optional)
(with built-in terminal resistor)
Model: RCB-TU-SIO-A (B)
* One e-CON connector, one junction and one
terminal resistor are supplied with one
controller link cable.
e-CON connector (3-1473562-4 by AMP)
Junction (5-1473574-4 by AMP)
GateWay
R unit
Terminal resistor
Controller link cable
Model: CB-RCB-CTL002
24-V power supply
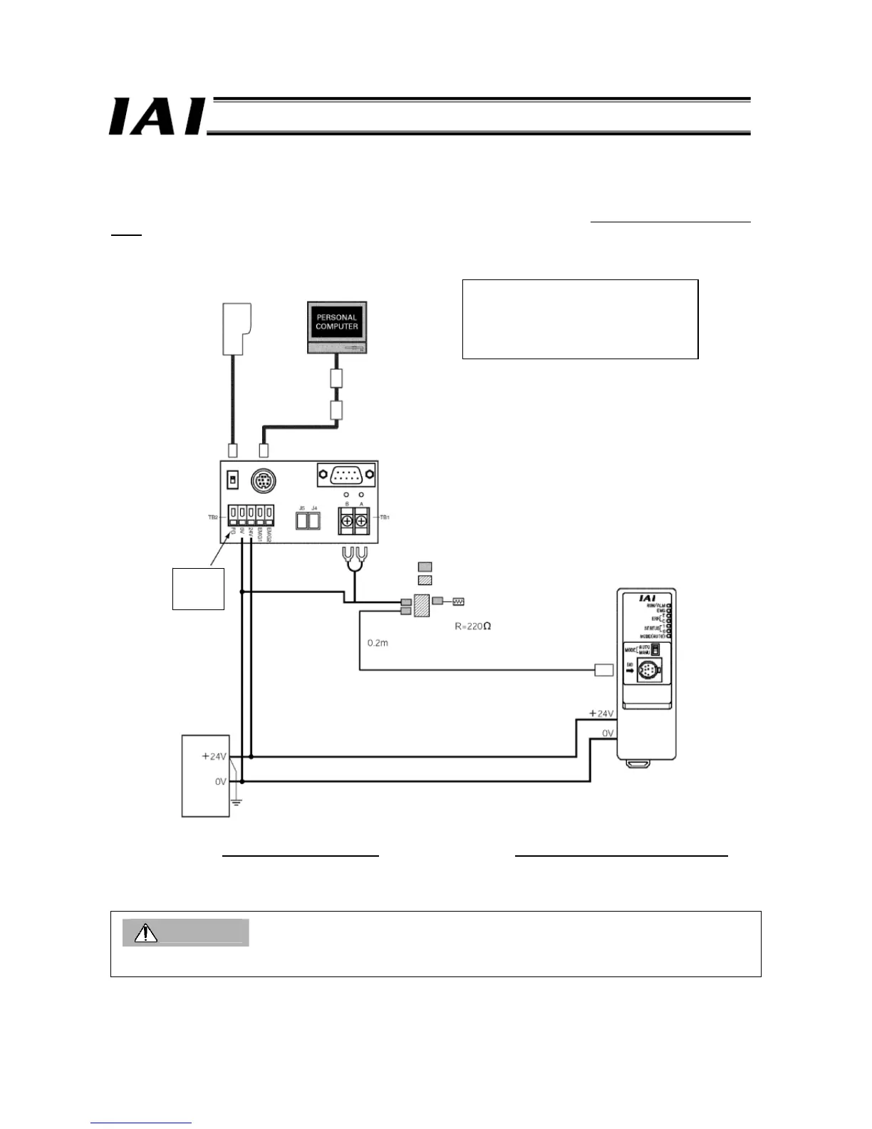
2.2.9 How to Connect Teaching Tool When Grounding Positive Terminal of 24-V Power
Supply
If the positive terminal of the 24-V power supply is grounded (= the +24-V side is grounded), use a SIO converter as shown
below to connect a teaching pendant or PC to the GateWayR unit. At this time, do not connect the FG of the SIO converter.
With the ROBONET, basically the negative terminal
of the 24-V power supply is grounded (= the 0-V side is grounded).
Since most teaching pendants and PCs have their communication ground line and FG (frame ground) shorted internally,
grounding the 24-V power supply at the positive terminal (= grounding the +24-V side) will cause the 24-V power supply to
short when a teaching pendant or PC is connected to the GateWayR unit, resulting in damage to the teaching pendant or PC.
Caution
Do not connect the FG of the SIO converter.

Table of Contents

Related product manuals