EasyManua.ls Logo

IAI RoboNet - Emergency Stop Circuit

IAI RoboNet
398 pages
Print Icon
To Next Page IconTo Next Page
To Next Page IconTo Next Page
To Previous Page IconTo Previous Page
To Previous Page IconTo Previous Page
Loading...
253
Part 2 Startu
p
Cha
p
te
r
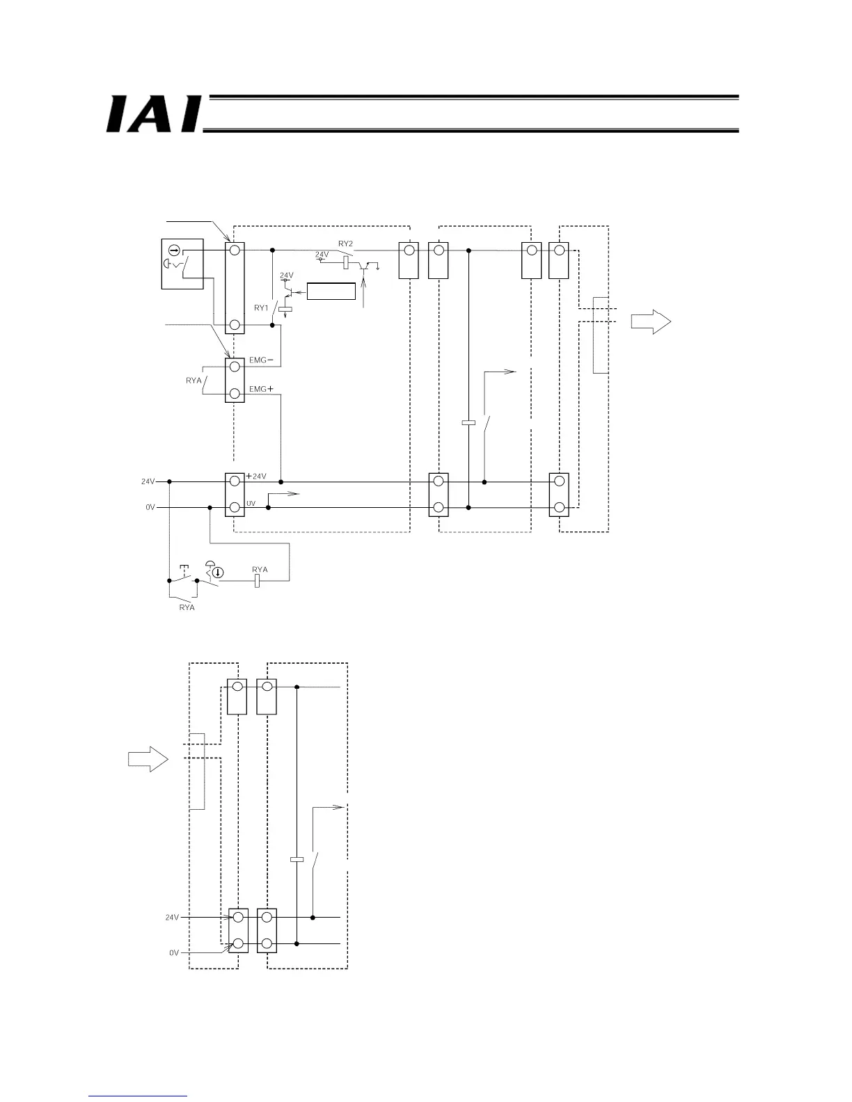
2.2.7 Emergency Stop Circuit
(1) An emergency stop circuit for normal layout and multi-stage layout is shown below.
EMG connector
TP connector
Teaching pendant
GateWayR unit Axis controller unit
ROBONET Communication Connector
Drive-source cutoff signal
(CPU control signal)
Motor drive source
Drive-source cutoff relay
Power-supply input terminal block
Internal power supply common
GND
Emergency
stop reset
Emergency stop
TP connection
detection circuit
[1]
[2]
[1]
[2]
Axis controller unit
Motor drive source
Drive-source cutoff relay
Extension unit
Unit link cable
Unit link cable
Extension unit

Table of Contents

Related product manuals