EasyManua.ls Logo

Lucent Technologies DDM-2000 OC-3 - Page 1729

Lucent Technologies DDM-2000 OC-3
2536 pages
Print Icon
To Next Page IconTo Next Page
To Next Page IconTo Next Page
To Previous Page IconTo Previous Page
To Previous Page IconTo Previous Page
Loading...
NTP-044: System Turnup 363-206-285
Page 7 of 14 Issue 2, February 2000
DDM-2000 OC-3 MULTIPLEXER
DO ITEMS BELOW IN ORDER LISTED. . . . . FOR DETAILS, GO TO
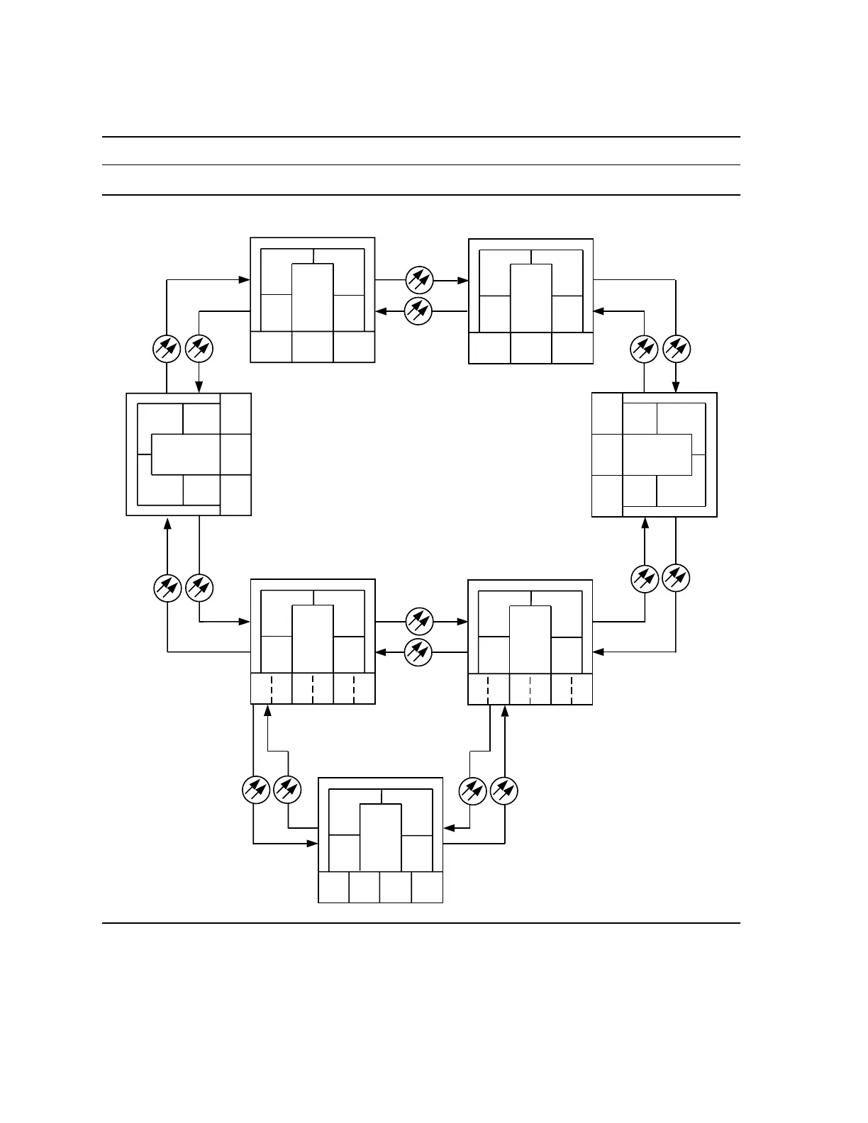
Figure 1 Example Dual-Homed OC-1/OC-3 Ring Configuration
MAIN 1
MAIN 2
Node 4
A
BC
27G-U
OLIU
CB
1
1
2(P)
2(P)
MAIN 1
MAIN 2
LS-A-1
LS-B-1
LS-C-1
LS-D-1
IN
OUT
IN
OUT
IN
OUT
IN
OUT
Ring 2
Ring 1
IN
OUT
Node 2
MAIN 2
MAIN 1
ABC
IN
OUT
IN
OUT
MAIN 2
MAIN 1
Node 1
A
BC
DDM-2000 FiberReach
OC-1
OC-1
MAIN 1
MAIN 2
Node 5
A
BC
27G-U
OLIU
CB
1
1
2(P)
2(P)
OC-3
OC-3
DDM-2000 OC-3 Ring
2(P)
A
A
1
IN
OUT
IN
OUT
MAIN 2
MAIN 1
Node 6
A
B
C
IN
OUT
IN
OUT
MAIN 2
MAIN 1
Node 3
A
BC

Table of Contents

Other manuals for Lucent Technologies DDM-2000 OC-3

Related product manuals