EasyManua.ls Logo

Lucent Technologies DDM-2000 OC-3 - Page 1732

Lucent Technologies DDM-2000 OC-3
2536 pages
Print Icon
To Next Page IconTo Next Page
To Next Page IconTo Next Page
To Previous Page IconTo Previous Page
To Previous Page IconTo Previous Page
Loading...
363-206-285 System Turnup: NTP-044
Issue 2, February 2000 Page 10 of 14
DDM-2000 OC-3 MULTIPLEXER
DO ITEMS BELOW IN ORDER LISTED . . . . .FOR DETAILS, GO TO
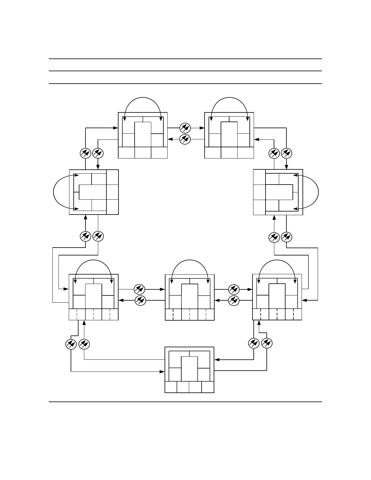
Figure 4 Example Dual-Homed OC-1/OC-12 Ring Configuration
B
MAIN 1
MAIN 2
AA
BC
27G-U
OLIU
CB
1
1
2(P)
2(P)2(P)
IN
OUT
IN
OUT
IN
OUT
IN
OUT
Ring 1
Ring 2
IN
OUT
MAIN 2
MAIN 1
ABC
MAIN 2
MAIN 1
B
AC
MAIN 2
MAIN 1
LS-A-1
LS-B-1
LS-C-1
LS-D-1
DDM-2000 FiberReach
MAIN 1
MAIN 2
A
C
27G-U
OLIU
CB
1
1
2(P)
2(P)
OC-12
OC-12
MAIN 1
MAIN 2
A
BC
CB
1
2(P)
2(P)
IN
OUT
1
1
2(P)
A
OC-12 OC-12
OC-1
OC-1
IN
OUT
IN
OUT
IN
OUT
IN
OUT
1
A
IN
OUT
IN
OUT
MAIN 2
MAIN 1
B
A
C
IN
OUT
IN
OUT
MAIN 2
MAIN 1
B
AC
OC-12 Path Switched Ring with
OC-3 Shelves with OC-12 Optics
Node 7
DDM-2000
OC-12
Node 4
DDM-2000
OC-12
Node 5
DDM-2000
OC-12
Node 1
DDM-2000
OC-12
Node 2
DDM-2000
OC-12
Node 3
DDM-2000
OC-12
Node 6
DDM-2000
OC-12
Faceplate Connector
Passes Through
Undropped STSs

Table of Contents

Other manuals for Lucent Technologies DDM-2000 OC-3

Related product manuals