EasyManua.ls Logo

Lucent Technologies DDM-2000 OC-3 - Page 1865

Lucent Technologies DDM-2000 OC-3
2536 pages
Print Icon
To Next Page IconTo Next Page
To Next Page IconTo Next Page
To Previous Page IconTo Previous Page
To Previous Page IconTo Previous Page
Loading...
NTP-057: System Turnup 363-206-285
Page 11 of 12 Issue 3, June 2001
DDM-2000 OC-3 MULTIPLEXER
DO ITEMS BELOW IN ORDER LISTED. . . . . FOR DETAILS, GO TO
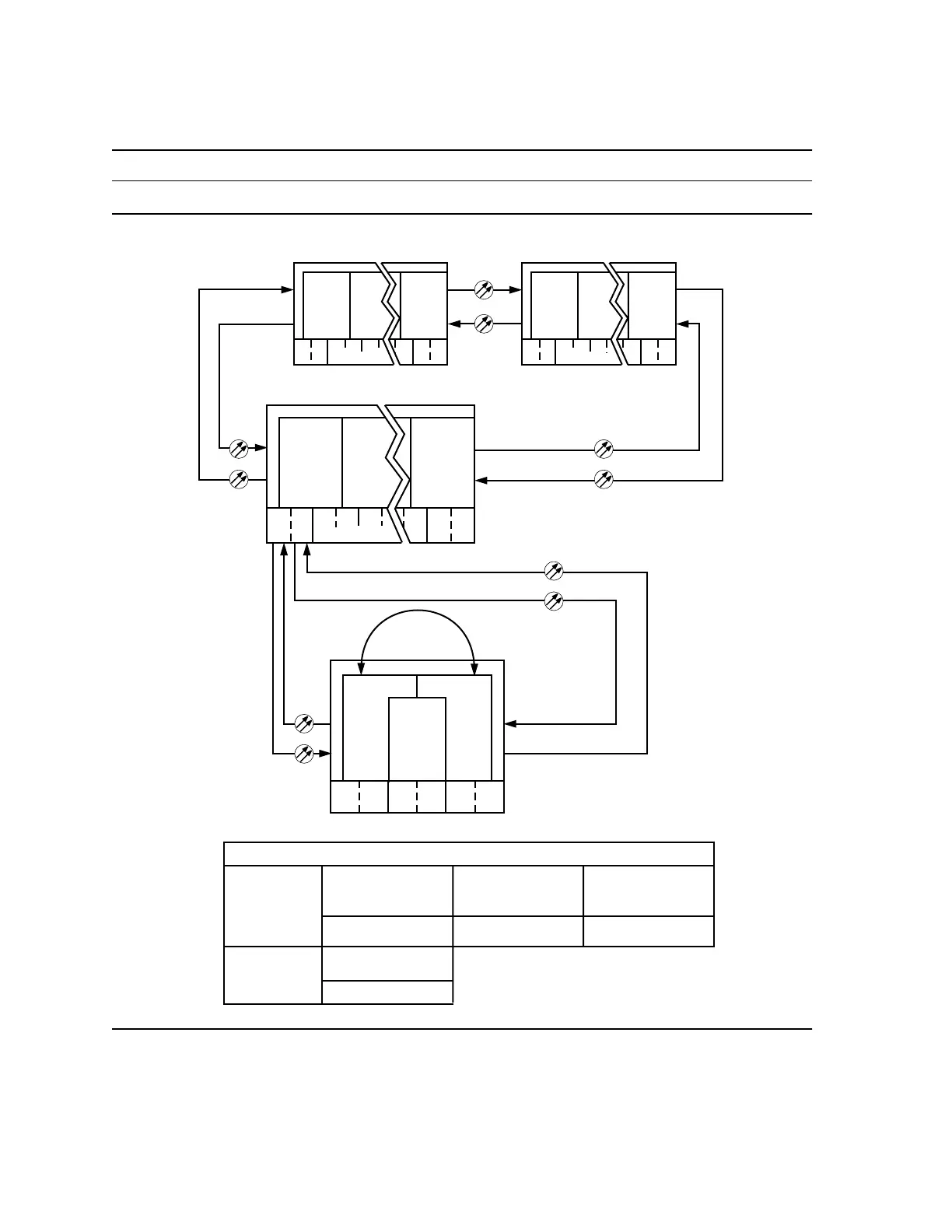
Figure 3 Example of OC-12 Linear Extension User Side/Network Side Value
Settings
TRMTR/
RCVR
FT-2000 OC-48
1A 1B 2A 2B
3A 3B
7B
8A 8B
TRMTR/
RCVR
LS INTFC
TRMTR/
RCVR
FT-2000 OC-48
1A 1B 2A 2B
3A 3B
7B
8A 8B
TRMTR/
RCVR
LS INTFC
OC-48
TRMTR/
RCVR
FT-2000 OC-48
1A 1B 2A 2B
3A 3B
7B
8A 8B
TRMTR/
RCVR
LS INTFC
OC-12
DDM-2000
OC-12
MAIN 1 MAIN 2
NS
A
1
A
2(P)
B
1
B
2(P)
C
1
C
2(P)
NS
OC-12
(1+1)
(US)
(US)
DDM-2000 OC-3 DCC Network Side (NS)/User Side (US) Defaults (set-fecom:nsus=ns/us)
22-Type OLIUs
(1+1)
FN-B
dcc-b
FN-C
dcc-c
NS
NS NS
nc-ddm-03
OC-48
Faceplate Connector
Passes Through
Undropped STSs
FN-A
dcc-a
22-Type OLIUs
(1+1 identical)
MAIN
dcc-m
NS
OC-3 Shelf with OC-12 Optics
OC-48

Table of Contents

Other manuals for Lucent Technologies DDM-2000 OC-3

Related product manuals