EasyManua.ls Logo

Lucent Technologies DDM-2000 OC-3 - Page 2373

Lucent Technologies DDM-2000 OC-3
2536 pages
Print Icon
To Next Page IconTo Next Page
To Next Page IconTo Next Page
To Previous Page IconTo Previous Page
To Previous Page IconTo Previous Page
Loading...
363-206-285 Detailed Level Procedure: DLP-550
Issue 2, February 2000 Page 9 of 12
DDM-2000 OC-3 MULTIPLEXER
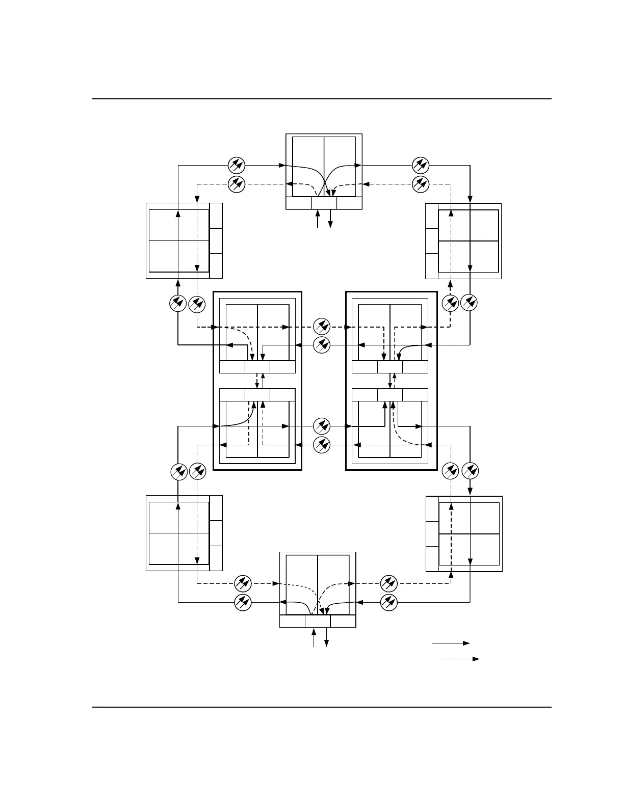
Figure 5 Example of Dual Ring Interworking (OC-3) Cross-connections
Ring 1
Ring 2
Ring 1
Ring 2
ent-crs-sts1:m-1,b:cct=dc,ring=m1
ent-crs-sts1:m-1,b:cct=dc,ring=m1
ent-crs-sts1:m-1,b:cct=dc,ring=m2
DS1 or DS3
MAIN 2
OLIU
MAIN 1
OLIU
A
BC
IN OUT
INOUT
Ring 2
Ring 1
DS1 or DS3
b to m-1 (ent-crs-sts1:b,m-1)
where:
b = address of DS3 circuit
pack in group B
m-1=address of STS-1 #1 in
MAIN OLIU
b to m-1 (ent-crs-sts1:b,m-1)
where:
b = address of DS3 circuit
pack in group B
m-1=address of STS-1 #1 in
MAIN OLIU
ent-crs-sts1:m-1,b:cct=dc,ring=m2
where:
dc=type of cross-connection
(drop and continue)
m2=ring transmitting to next
dual ring interworking node
Ring 2
Ring 1
MAIN 1
OLIU
MAIN 2
OLIU
A
BC
IN OUT
INOUT
CO 4
RT 2
MAIN 1
OLIU
MAIN 2
OLIU
A
B
C
IN
OUT
IN
OUT
CO 5
m-1 to m-1
pass through connection
(ent-crs-sts1:m-1,m-1)
MAIN 1
OLIU
MAIN 2
OLIU
A
BC
IN OUT
INOUT
CO 3
m-1 to m-1
pass through connection
(ent-crs-sts1:m-1,m-1)
MAIN 1
OLIU
MAIN 2
OLIU
A
B
C
IN
OUT
IN
OUT
RT 1
m-1 to m-1
pass through connection
(ent-crs-sts1:m-1,m-1)
MAIN 1
OLIU
MAIN 2
OLIU
A
BC
IN OUT
INOUT
RT 3
m-1 to m-1
pass through connection
(ent-crs-sts1:m-1,m-1)
IN
OUT
IN
OUT
MAIN 2
OLIU
MAIN 1
OLIU
ABC
IN
OUT
IN
OUT
MAIN 2
OLIU
MAIN 1
OLIU
IN
OUT
IN
OUT
MAIN 2
OLIU
MAIN 1
OLIU
ABC
IN
OUTIN
OUT
MAIN 2
OLIU
MAIN 1
OLIU
AB C
ABC
CO 1 CO 2
Ring 2
Ring 1
Ring 2
Ring 1
Ring 2
Ring 1
Ring 2
Ring 1

Table of Contents

Other manuals for Lucent Technologies DDM-2000 OC-3

Related product manuals