EasyManua.ls Logo

Maeda CC1908S-1 - Page 31

Maeda CC1908S-1
326 pages
Print Icon
To Next Page IconTo Next Page
To Next Page IconTo Next Page
To Previous Page IconTo Previous Page
To Previous Page IconTo Previous Page
Loading...
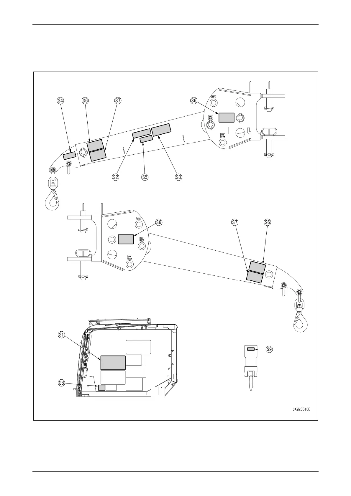
M A E D A Crawler Crane 2.2 SAFETY LABEL LOCATIONS
5/2020 CC1908S-1 2-13
[SEARCHER HOOK LABEL LOCATIONS]

Table of Contents

Other manuals for Maeda CC1908S-1

Related product manuals