EasyManua.ls Logo

MULTIQUIP Rammax Series - Rammax 1575 Hydraulic Circuit Diagram

MULTIQUIP Rammax Series
96 pages
Print Icon
To Next Page IconTo Next Page
To Next Page IconTo Next Page
To Previous Page IconTo Previous Page
To Previous Page IconTo Previous Page
Loading...
RX1575 SERIES TRENCH ROLLER • OPERATION MANUAL — REV. #0 (04/28/15) — PAGE 93
122 Rammax 1575
1230047 | 21.06.2013
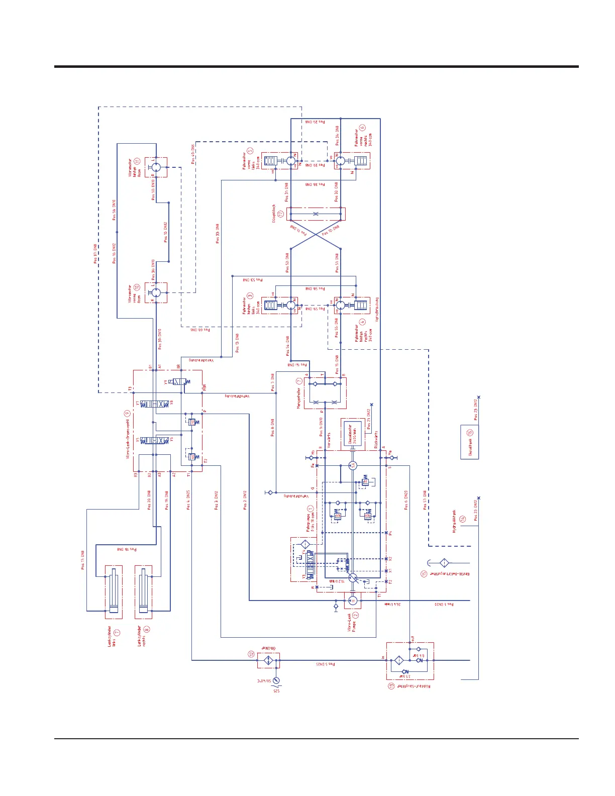
14.2 Rammax 1575 hydraulic circuit diagram
Fig. 14-2 Hydraulics diagram no. 10442344
APPENDIX

Table of Contents

Related product manuals