EasyManua.ls Logo

MULTIQUIP Rammax Series - Rammax 1575 Wiring Diagram; Wiring Diagram No. 10378070; Appendix

MULTIQUIP Rammax Series
96 pages
Print Icon
To Next Page IconTo Next Page
To Next Page IconTo Next Page
To Previous Page IconTo Previous Page
To Previous Page IconTo Previous Page
Loading...
PAGE 90 — RX1575 SERIES TRENCH ROLLER • OPERATION MANUAL — REV. #0 (04/28/15)
118 Rammax 1575
1230047 | 21.06.2013
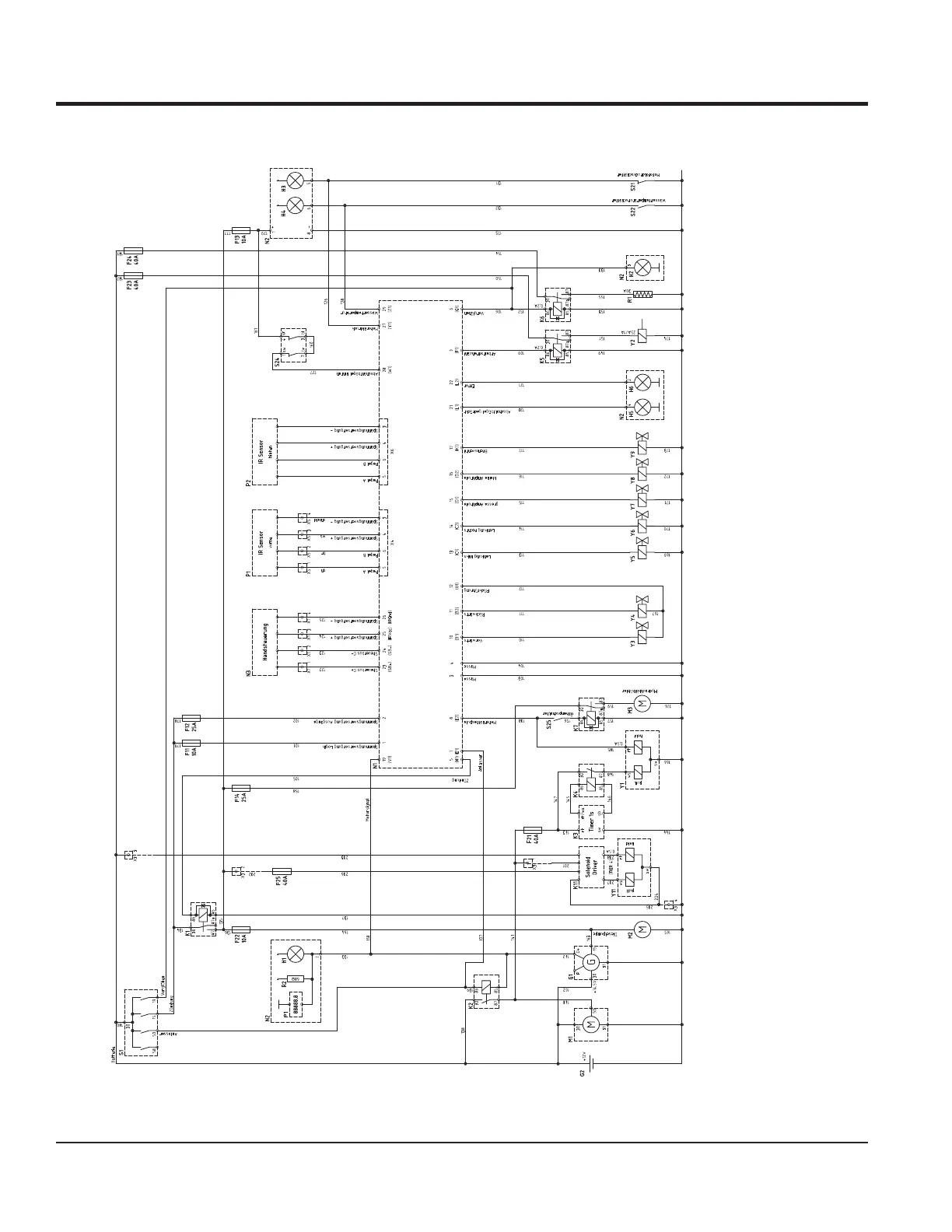
14.1 Rammax 1575 wiring diagram
Fig. 14-1 Wiring diagram no. 10378070
APPENDIX

Table of Contents

Related product manuals