EasyManua.ls Logo

Perfecta 115 TS - Decompression

Perfecta 115 TS
97 pages
Print Icon
To Next Page IconTo Next Page
To Next Page IconTo Next Page
To Previous Page IconTo Previous Page
To Previous Page IconTo Previous Page
Loading...
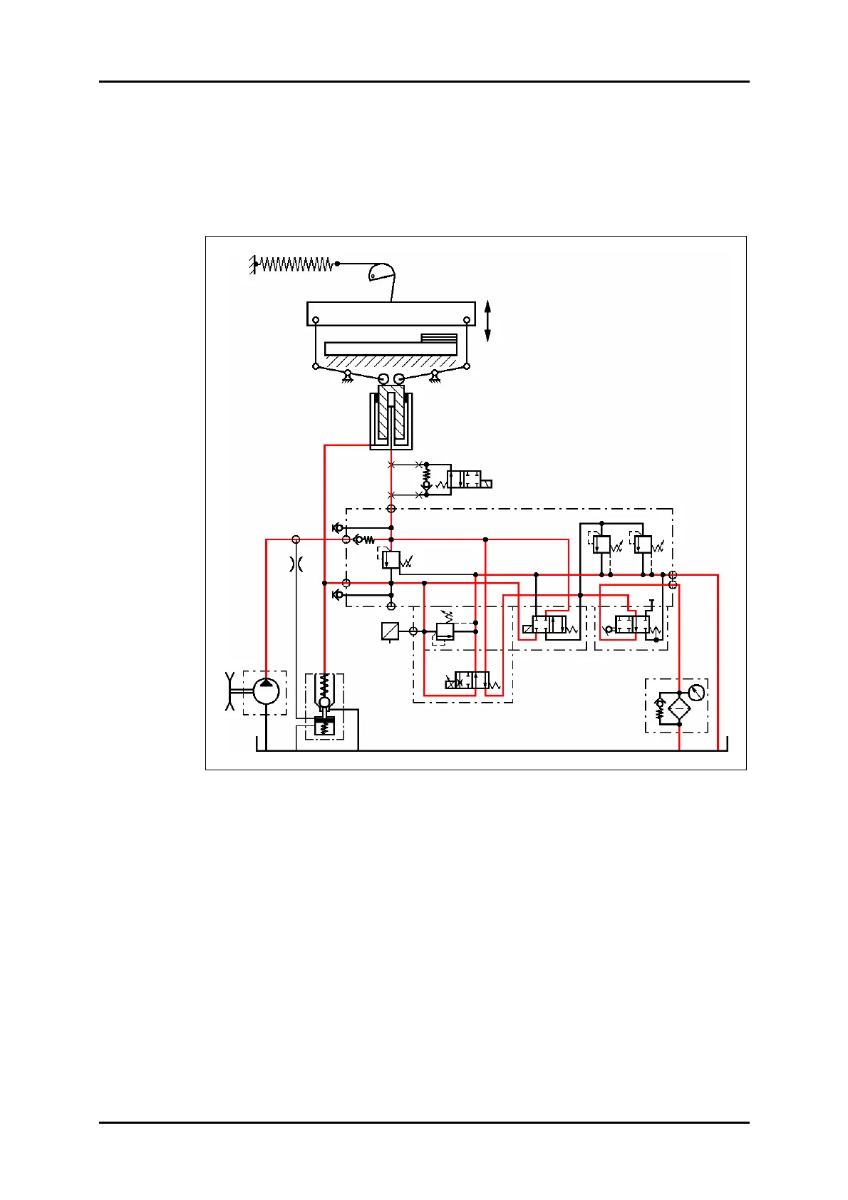
Service Manual 8 Hydraulic Clamping System
8.2 Hydraulic clamping system working phases
1/09 PERFECTA 115 / 132 / 168 / 225 – TS 50
PERFECTA Schneidemaschinenwerk GmbH  D-02625 Bautzen  Schäfferstr. 44  Tel.: +49-3591-556-131 to -133  Fax: +49 3591-556-139
8.2.5 Decompression
After the knife has cut through, the voltage at Y90 will be tuned down over a preset
period, followed by turning off this solenoid to enable decompression through VW1.
After that, VW2 will be opened, and the full oil flow from the pump and to the fast-
speed piston will relax.
By the clamp return spring, the cylinder will be brought back to its normal position.
Figure 38: Decompression hydraulic circuit diagram.
VD1.1 VD1
STV
VD2
VDR
VW1
VW2
VD3
SRV
P
F
Z
Option: Stop valve
PE
M1
M2
PZ
P
(PV)
T1
T2
RV1
DR1
D-Sensor
U
I
B90
Y90
Y60
Y62

Table of Contents