EasyManua.ls Logo

PIAGGIO Beverly 500 i.e. - Injection Warning Light Circuit

PIAGGIO Beverly 500 i.e.
382 pages
Print Icon
To Next Page IconTo Next Page
To Next Page IconTo Next Page
To Previous Page IconTo Previous Page
To Previous Page IconTo Previous Page
Loading...
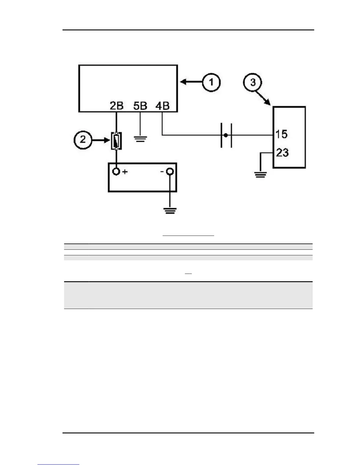
Injection warning light circuit
CIRCUIT LAYOUT
Specification
Desc./Quantity
1 Instrument panel
2 Fuse 7.5 A
3 Electronic control unit
[P]
Specification
Desc./Quantity
1 TERMINAL: 15 - 23 CONDITIONS: DURING THE CHECK
- Switch set to "ON"
- Side stand raised
- Switch to "RUN"
STANDARD VALUES : O V
2 TERMINAL: 15 - 23 CONDITIONS: AFTER THE CHECK
- Switch set to "ON"
- Side stand raised
- Switch to "RUN"
STANDARD VALUES : Battery voltage
The injection telltale light is controlled upon every switching to "ON" by the 3-second timing generated
by the digital instrument. This step is normally interrupted by the injection control unit control. The timing
lasts 5 seconds.
The diagnostic tester is not programmed to check this circuit.
Proceed as follows:
Specific tooling
020680Y Diagnosis Tool
1 - Turn the switch to the "ON" position Turn the emergency switch to position "RUN". Keep the side
stand raised. Make sure the light goes on for 5 seconds.
Beverly 500 i.e. Injection
INJEC - 187

Table of Contents

Related product manuals