EasyManua.ls Logo

PIAGGIO Beverly 500 i.e. - Level Indicators and Enable Signals Section

PIAGGIO Beverly 500 i.e.
382 pages
Print Icon
To Next Page IconTo Next Page
To Next Page IconTo Next Page
To Previous Page IconTo Previous Page
To Previous Page IconTo Previous Page
Loading...
Specification Desc./Quantity
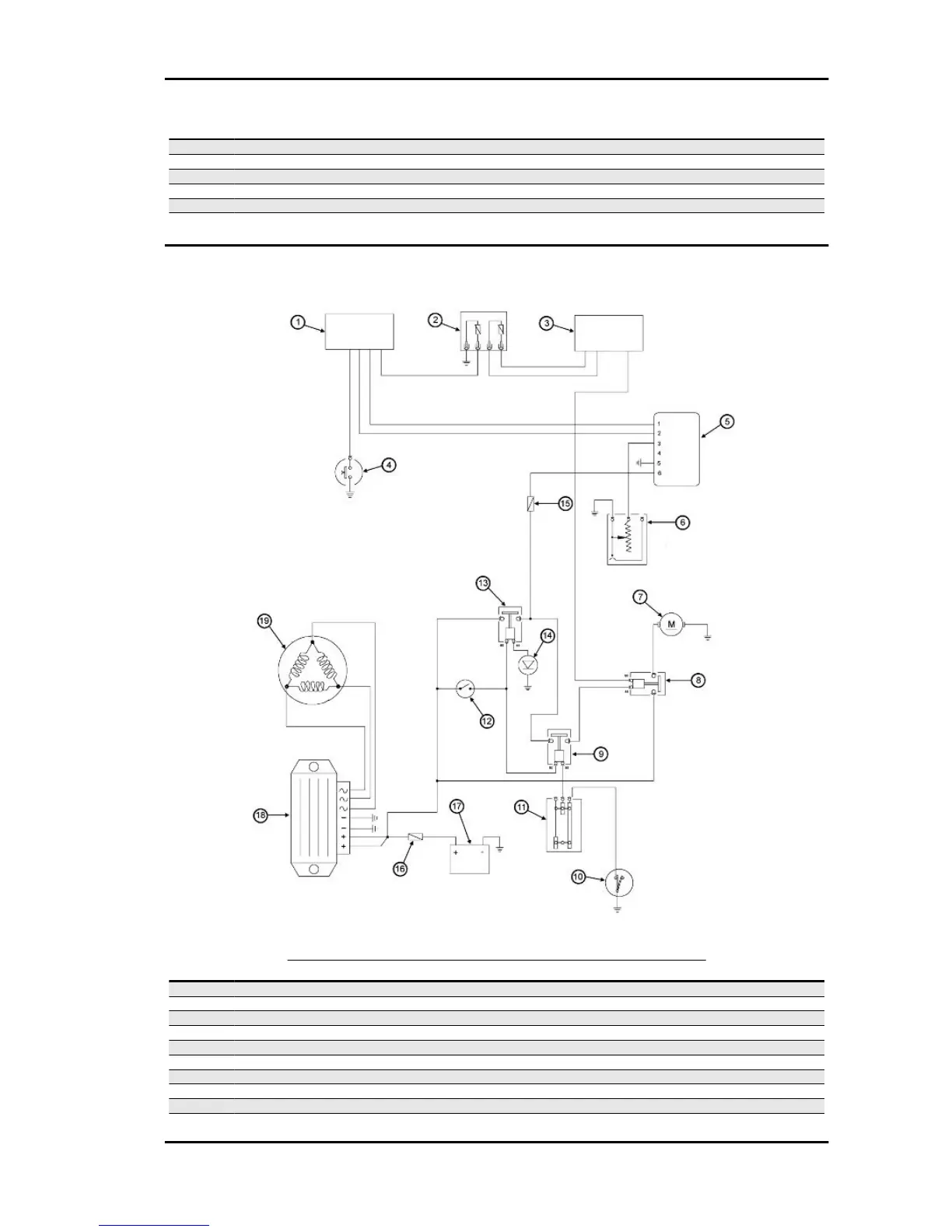
11 Key switch
12 Voltage regulator
13 Starter relay
14 Starter motor
15 Battery 12V-12Ah
16 Main fuse (30A)
Level indicators and enable signals section
LEVEL INDICATORS AND ENABLE SIGNALS SECTION
Specification
Desc./Quantity
1 Instrument panel
2 Engine water temperature sensor
3 Electronic control unit
4 Engine oil pressure sensor
5 Damper for fuel level indicator
6 Fuel gauge
7 Radiator electric fan
8 Electric fan solenoid
9 Engine stop remote control switch
10 Side stand switch
Beverly 500 i.e. Electrical system
ELE SYS - 41

Table of Contents

Related product manuals