EasyManua.ls Logo

Renesas RL78/F14 - Page 240

Renesas RL78/F14
1879 pages
To Next Page IconTo Next Page
To Next Page IconTo Next Page
To Previous Page IconTo Previous Page
To Previous Page IconTo Previous Page
Loading...
RL78/F13, F14 CHAPTER 4 PORT FUNCTIONS
R01UH0368EJ0210 Rev.2.10 208
Dec 10, 2015
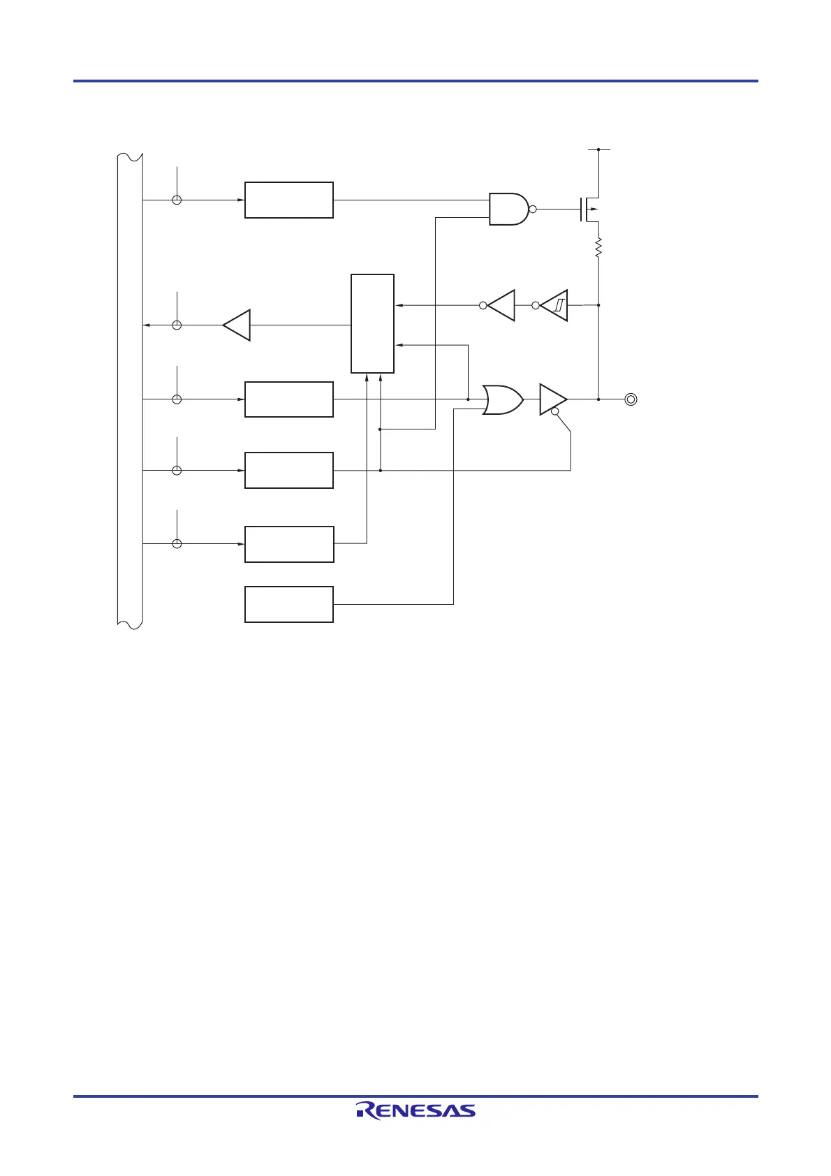
Figure 4-4. Block Diagram of P03
P03/(RTC1HZ)
WR
PU
RD
WR
PORT
WRPM
PU03
PM03
EVDD
P-ch
PU0
PM0
P0
WRPMS
PMS
PMS0
P03
Alternate function
(RTC1HZ)
Internal bus
Selector
Output latch
P0: Port register 0
PU0: Pull-up resistor option register 0
PM0: Port mode register 0
PMS: Port mode select register
RD: Read signal
WRxx: Write signal

Table of Contents

Related product manuals