EasyManua.ls Logo

Renesas RL78/F14 - Page 256

Renesas RL78/F14
1879 pages
Print Icon
To Next Page IconTo Next Page
To Next Page IconTo Next Page
To Previous Page IconTo Previous Page
To Previous Page IconTo Previous Page
Loading...
RL78/F13, F14 CHAPTER 4 PORT FUNCTIONS
R01UH0368EJ0210 Rev.2.10 224
Dec 10, 2015
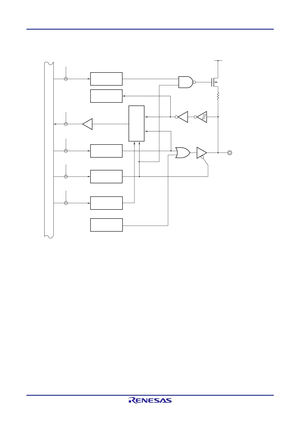
Figure 4-15. Block Diagram of P32
P32/TI16/
TO16/INTP7
WR
PU
RD
WR
PORT
WR
PM
PU32
P32
PM32
EV
DD
P-ch
PU3
PM3
P3
TO16
WR
PMS
PMS
PMS0
Alternate function
Alternate function
Internal bus
Selector
Output latch
P3: Port register 3
PU3: Pull-up resistor option register 3
PM3: Port mode register 3
PMS: Port mode select register
RD: Read signal
WRxx: Write signal

Table of Contents

Related product manuals