EasyManua.ls Logo

Renesas RL78/F14 - Page 267

Renesas RL78/F14
1879 pages
To Next Page IconTo Next Page
To Next Page IconTo Next Page
To Previous Page IconTo Previous Page
To Previous Page IconTo Previous Page
Loading...
RL78/F13, F14 CHAPTER 4 PORT FUNCTIONS
R01UH0368EJ0210 Rev.2.10 235
Dec 10, 2015
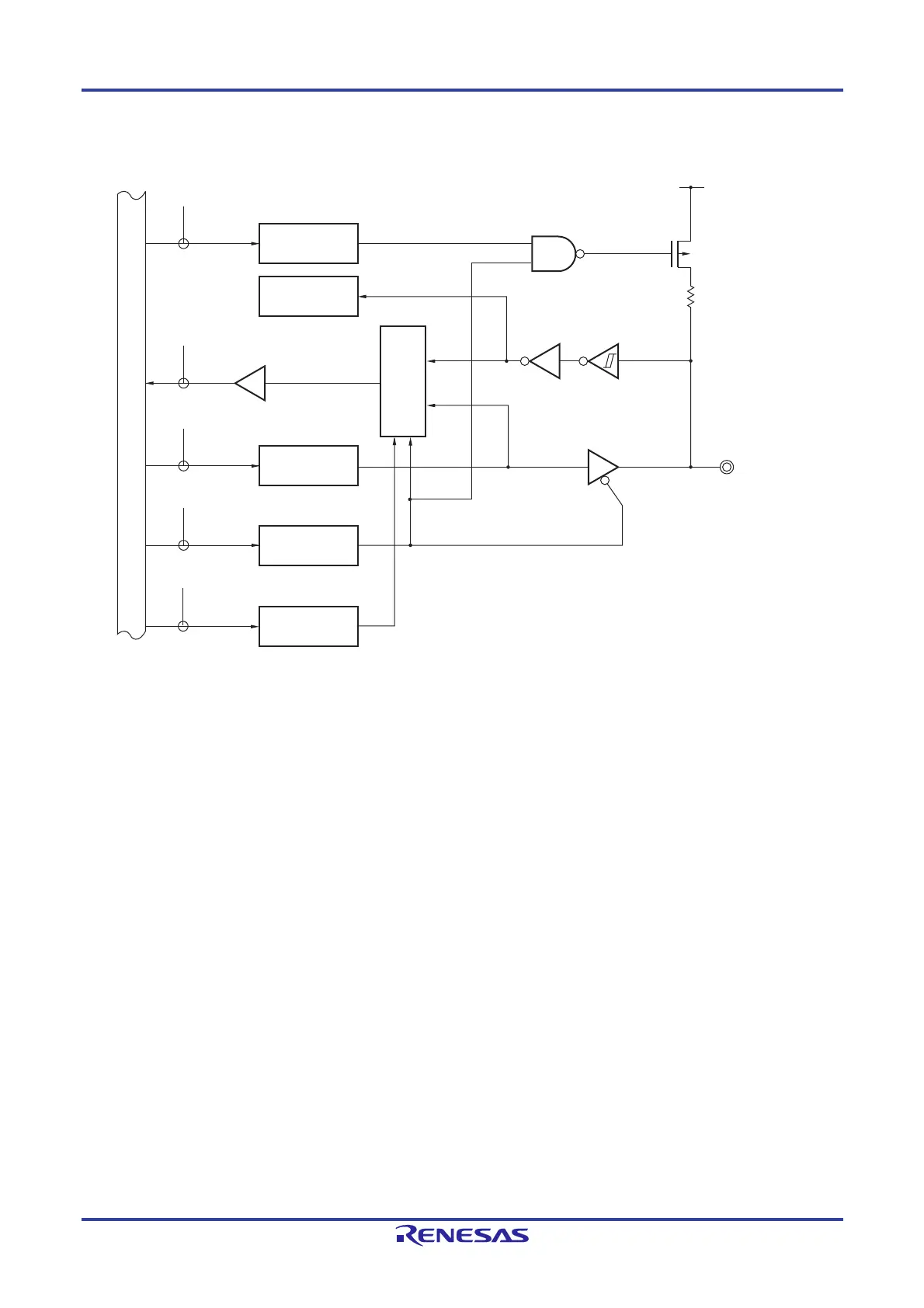
Figure 4-24. Block Diagram of P47
P47/INTP13
WR
PU
RD
WR
PORT
WR
PM
PU47
PM47
EV
DD
P-ch
PU4
PM4
P4
WR
PMS
PMS
PMS0
P47
Alternate function
Internal bus
Selector
Output latch
P4: Port register 4
PU4: Pull-up resistor option register 4
PM4: Port mode register 4
PMS: Port mode select register
RD: Read signal
WRxx: Write signal

Table of Contents

Related product manuals