EasyManua.ls Logo

Renesas RL78/F14 - Page 271

Renesas RL78/F14
1879 pages
To Next Page IconTo Next Page
To Next Page IconTo Next Page
To Previous Page IconTo Previous Page
To Previous Page IconTo Previous Page
Loading...
RL78/F13, F14 CHAPTER 4 PORT FUNCTIONS
R01UH0368EJ0210 Rev.2.10 239
Dec 10, 2015
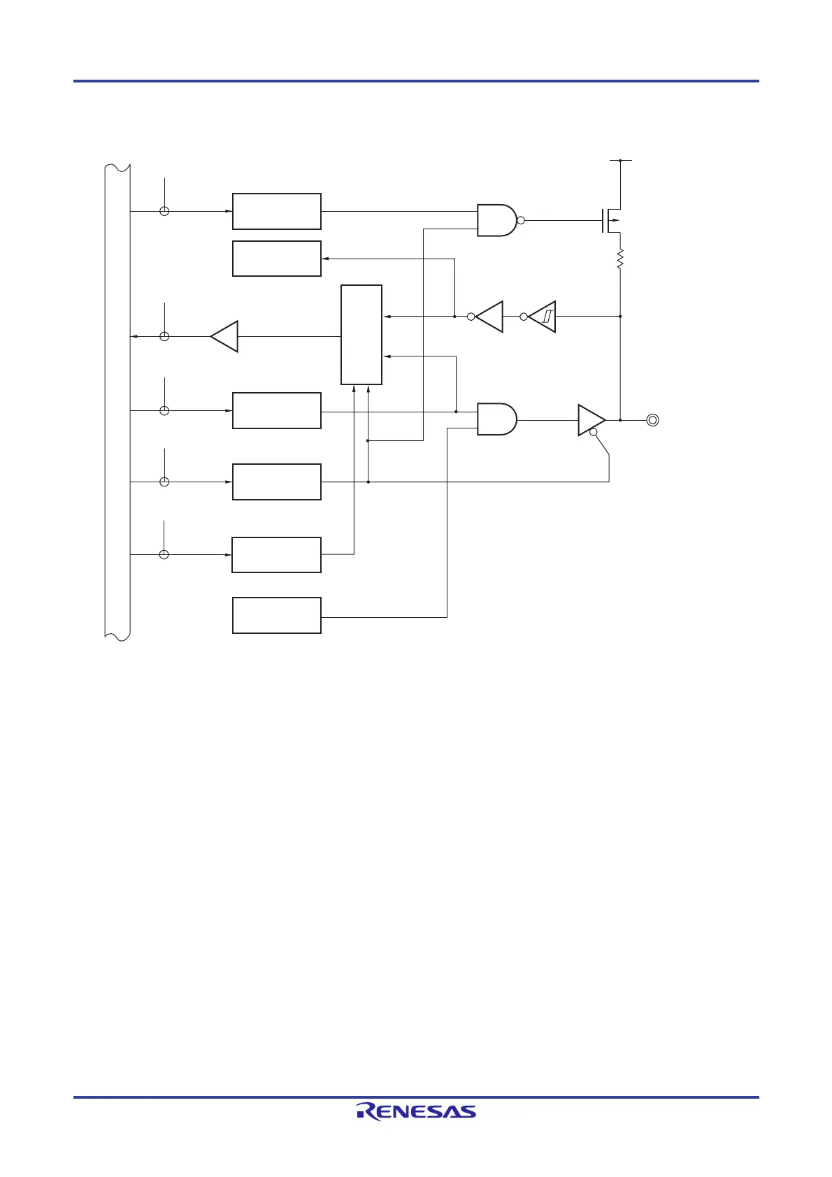
Figure 4-26. Block Diagram of P51
P51/INTP11
/
(SO01)
WR
PU
RD
WR
PORT
WR
PM
PU51
(SO01)
PM51
EV
DD
P-ch
PU5
PM5
P5
WR
PMS
PMS
PMS0
P51
Internal bus
Output latch
Alternate function
Alternate function
Selector
P5: Port register 5
PU5: Pull-up resistor option register 5
PM5: Port mode register 5
PMS: Port mode select register
RD: Read signal
WRxx: Write signal

Table of Contents

Related product manuals