EasyManua.ls Logo

Renesas RL78/F14 - Page 292

Renesas RL78/F14
1879 pages
To Next Page IconTo Next Page
To Next Page IconTo Next Page
To Previous Page IconTo Previous Page
To Previous Page IconTo Previous Page
Loading...
RL78/F13, F14 CHAPTER 4 PORT FUNCTIONS
R01UH0368EJ0210 Rev.2.10 260
Dec 10, 2015
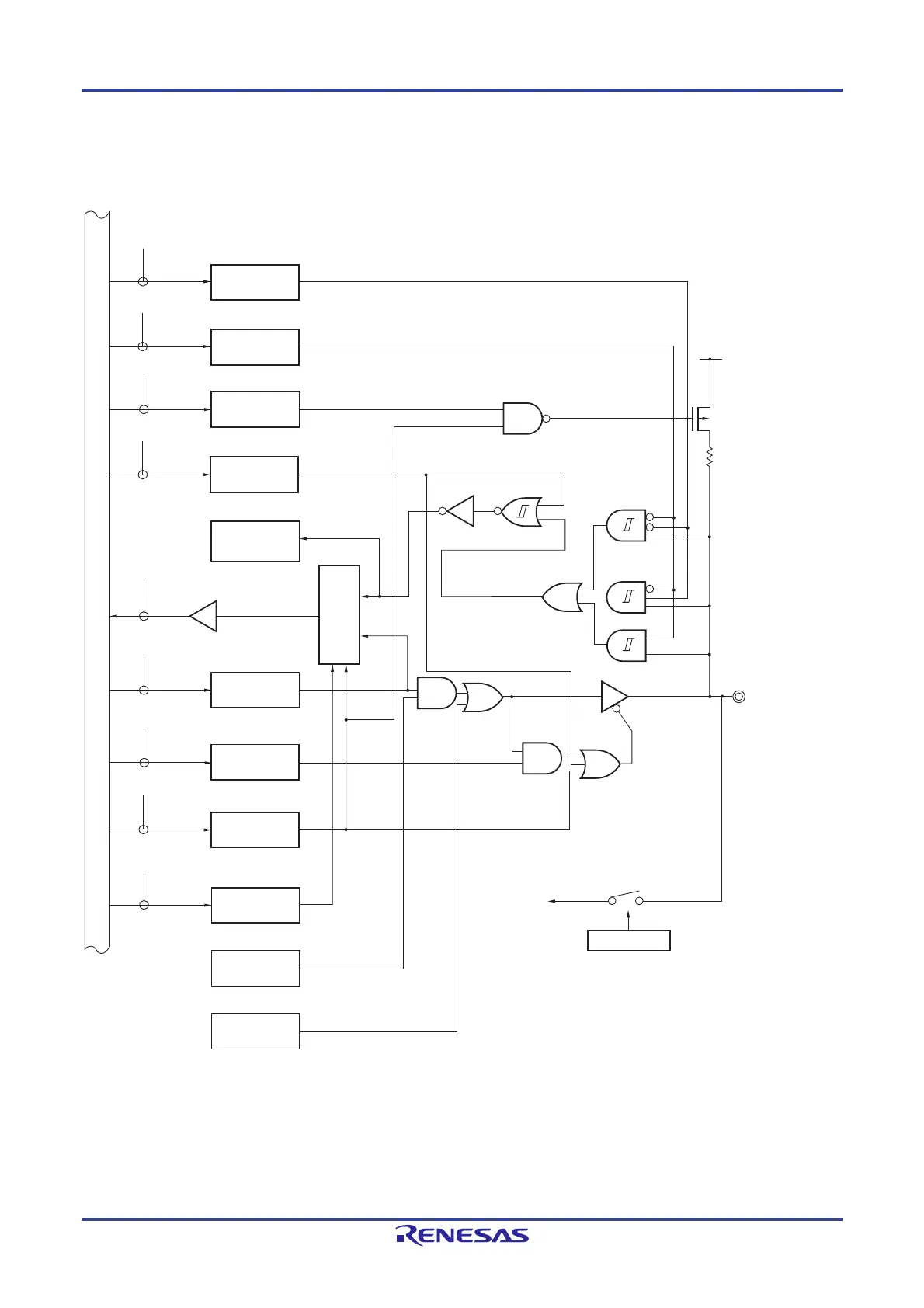
Figures 4-41 to 4-48 show block diagrams of port 7 for 100-pin products.
Figure 4-41. Block Diagram of P70
P70/TI15/SI11/
INTP8/TO15/
KR0/SDA11/
SNZOUT4/ANI26
WR
PU
RD
WR
PORT
PU70
P70
EV
DD
P-ch
PU7
P7
WR
PM
PM7
POM70
POM7
WR
POM
PM70
PIM7
PIM70
WR
PIM
WR
PMC
PMC7
PMC70
WR
PMS
PMS
PMS0
SDA11
TO05/SNZOUT4
CMOS
(Schmitt3)
TTL
CMOS
(Schmitt1)
PITHL7
PITHL70
WR
PITHL
Internal bus
Output latch
Alternate function
TI15/SI11/SDA11
/INTP8/KR0
Alternate function
Alternate function
Selector
A/D converter
ADS
ADS4 to ADS0

Table of Contents

Related product manuals