EasyManua.ls Logo

Renesas RL78/F14 - Page 307

Renesas RL78/F14
1879 pages
Print Icon
To Next Page IconTo Next Page
To Next Page IconTo Next Page
To Previous Page IconTo Previous Page
To Previous Page IconTo Previous Page
Loading...
RL78/F13, F14 CHAPTER 4 PORT FUNCTIONS
R01UH0368EJ0210 Rev.2.10 275
Dec 10, 2015
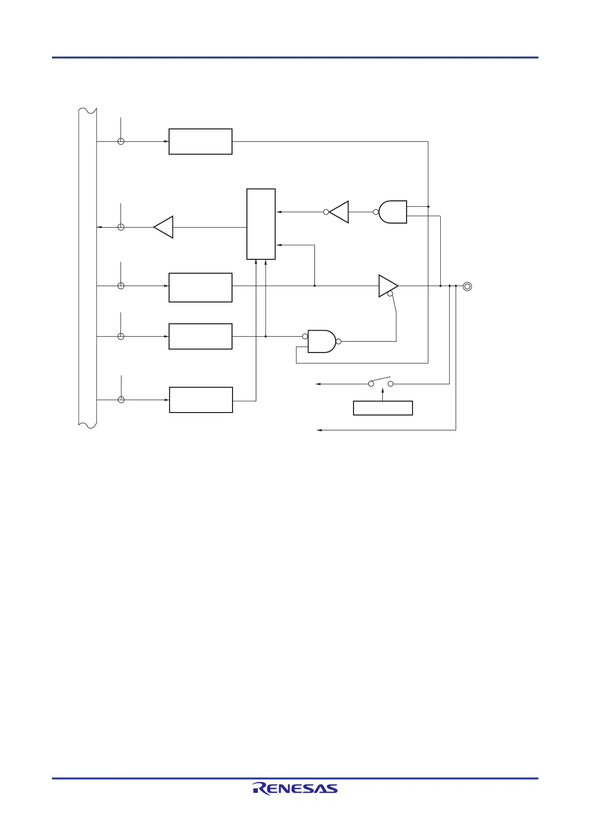
Figure 4-52. Block Diagram of P83
P83/ANI5
/
IVCMP02
WR
ADPC
RD
WR
PORT
WRPM
ADPC
PM8
P8
PM83
P83
ADPC4 to ADPC0
WRPMS
PMS
PMS0
Analog voltage
input for comparator
0: Analog input
1: Digital I/O
Internal bus
Output latch
Selector
A/D converter
ADS
ADS4 to ADS0
P8: Port register 8
PM8: Port mode register 8
PMS: Port mode select register
ADPC: A/D port configuration register
ADS: Analog input channel specification register
RD: Read signal
WRxx: Write signal

Table of Contents

Related product manuals