EasyManua.ls Logo

Renesas RL78/F14 - Page 309

Renesas RL78/F14
1879 pages
To Next Page IconTo Next Page
To Next Page IconTo Next Page
To Previous Page IconTo Previous Page
To Previous Page IconTo Previous Page
Loading...
RL78/F13, F14 CHAPTER 4 PORT FUNCTIONS
R01UH0368EJ0210 Rev.2.10 277
Dec 10, 2015
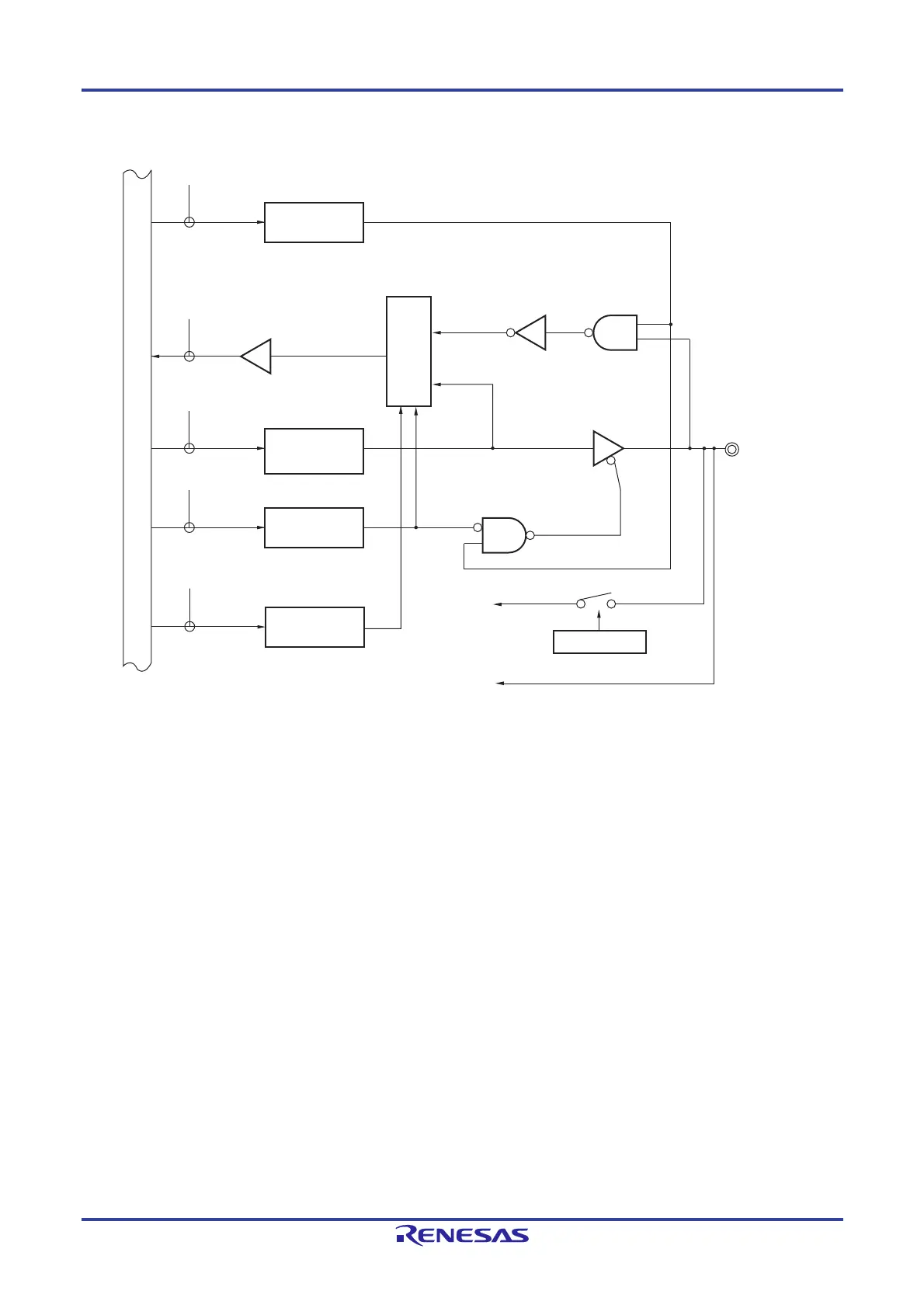
Figure 4-54. Block Diagram of P85
P85/ANI7
/
IVREF0
WR
ADPC
RD
WR
PORT
WR
PM
ADPC
PM8
P8
PM85
P85
ADPC4 to ADPC0
WR
PMS
PMS
PMS0
Analog voltage
input for comparator
0: Analog input
1: Digital I/O
Internal bus
Output latch
Selector
A/D converter
ADS
ADS4 to ADS0
P8: Port register 8
PM8: Port mode register 8
PMS: Port mode select register
ADPC: A/D port configuration register
ADS: Analog input channel specification register
RD: Read signal
WRxx: Write signal

Table of Contents

Related product manuals