EasyManua.ls Logo

Renesas RL78/F14 - Page 319

Renesas RL78/F14
1879 pages
To Next Page IconTo Next Page
To Next Page IconTo Next Page
To Previous Page IconTo Previous Page
To Previous Page IconTo Previous Page
Loading...
RL78/F13, F14 CHAPTER 4 PORT FUNCTIONS
R01UH0368EJ0210 Rev.2.10 287
Dec 10, 2015
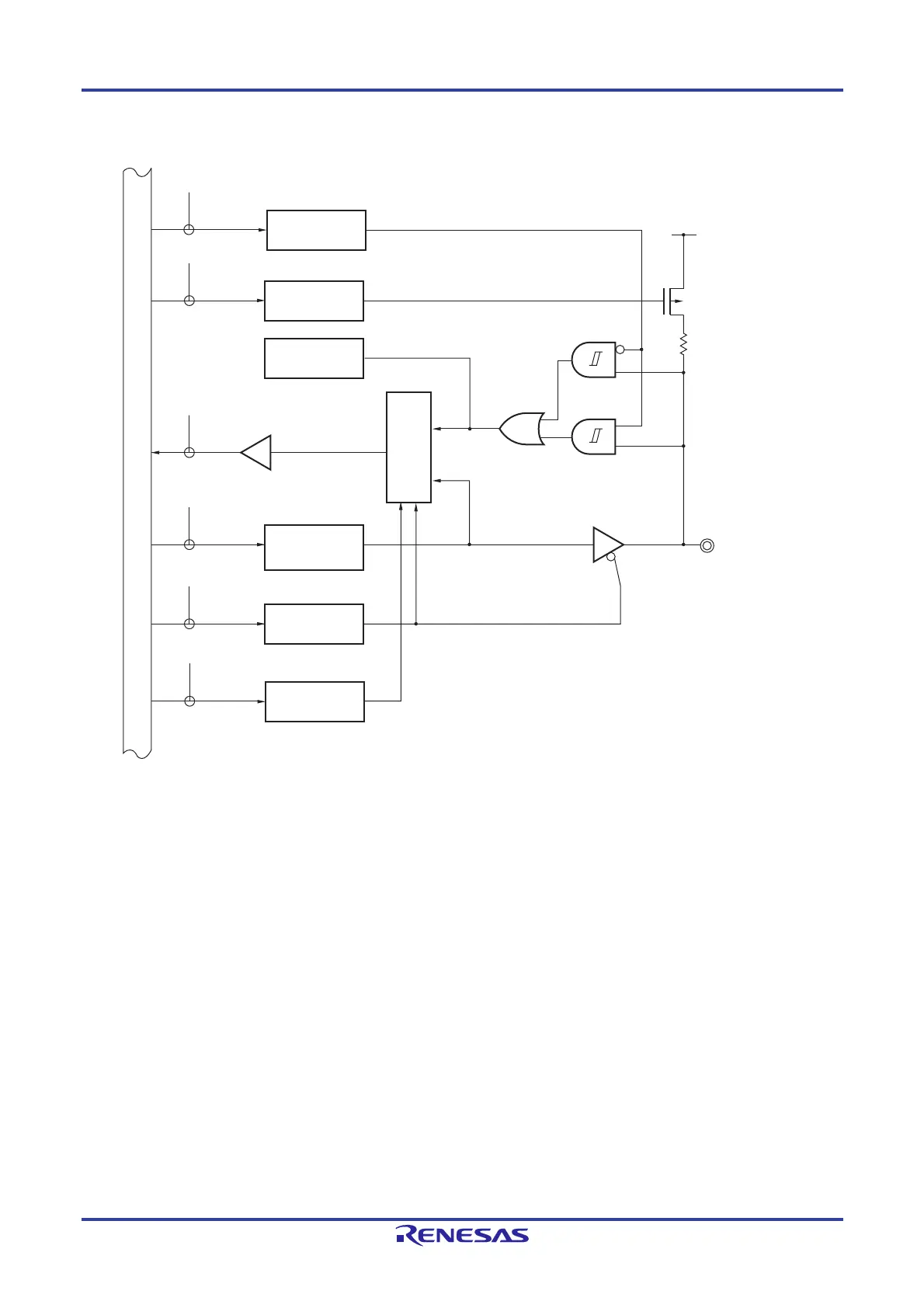
Figure 4-60. Block Diagram of P107
RD
WR
PORT
WRPM
PM10
P10
PM107
WRPU
PU10
PU107
P107
(LRXD1)
WRPMS
PMS
PMS0
P107/(LRXD1)
EVDD
P-ch
CMOS
(Schmitt3)
CMOS
(Schmitt1)
PITHL10
PITHL107
WRPITHL
Internal bus
Output latch
Alternate function
Selector
P10: Port register 10
PM10: Port mode register 10
PMS: Port mode select register
PITHL10: Port input threshold control register 10
PU10: Pull-up resistor option register 10
RD: Read signal
WRxx: Write signal

Table of Contents

Related product manuals