EasyManua.ls Logo

Renesas RL78/F14 - Page 323

Renesas RL78/F14
1879 pages
To Next Page IconTo Next Page
To Next Page IconTo Next Page
To Previous Page IconTo Previous Page
To Previous Page IconTo Previous Page
Loading...
RL78/F13, F14 CHAPTER 4 PORT FUNCTIONS
R01UH0368EJ0210 Rev.2.10 291
Dec 10, 2015
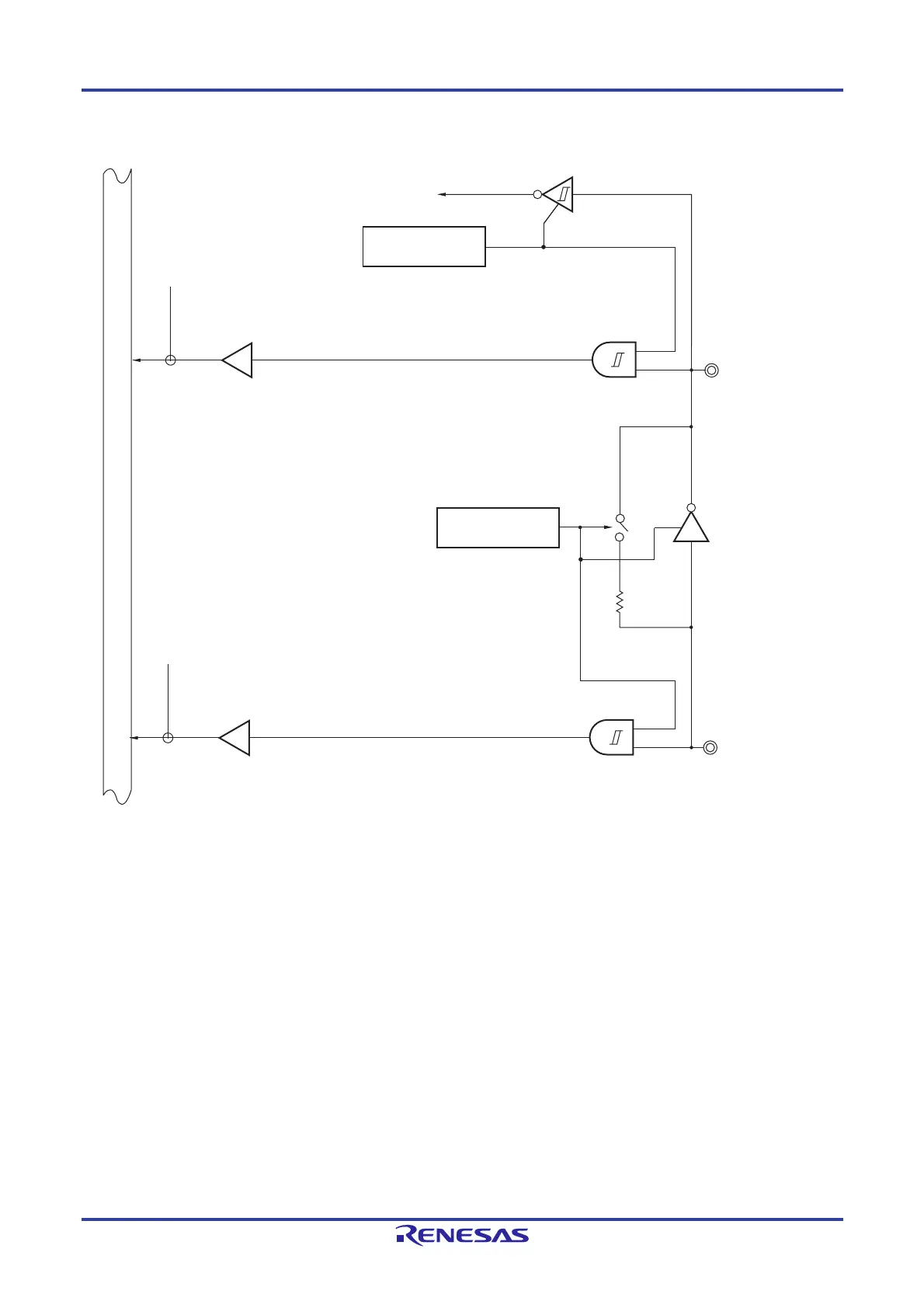
Figure 4-62. Block Diagram of P121 and P122
Clock generator
Internal bus
P122/X2/EXCLK
RD
EXCLK, OSCSEL
CMC
OSCSEL
CMC
P121/X1
RD
CMC: Clock operation mode control register
RD: Read signal

Table of Contents

Related product manuals