EasyManua.ls Logo

Schweitzer Engineering Laboratories SEL-387E - 51 PC1 and 51 NC1 Element Logic

Schweitzer Engineering Laboratories SEL-387E
578 pages
Print Icon
To Next Page IconTo Next Page
To Next Page IconTo Next Page
To Previous Page IconTo Previous Page
To Previous Page IconTo Previous Page
Loading...
Date Code 20080110 Protection Functions 3-41
SEL-387E Instruction Manual
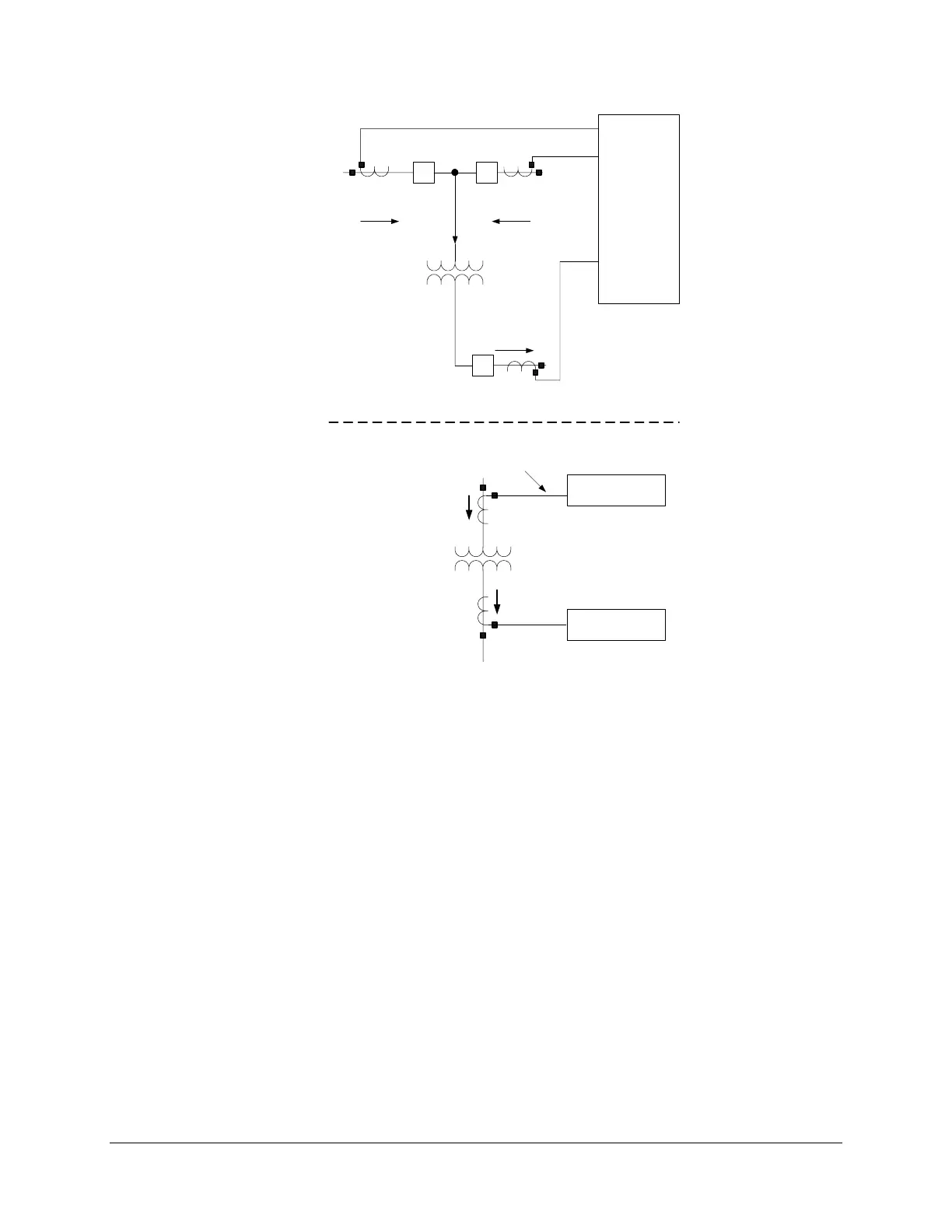
DWG: M387E069
1200 A
CT3
SEL-387E
CB3
W1
3800 A
CT Equivalent 1 and 2
W3
W1 and W2
Combination:Windings 1 and 2
3800 A
1200 A
500 A 700 A
CT1 CT2CB1 CB2
W2
W3
Figure 3.22: Combined Overcurrent Example
51PC1 and 51NC1 Element Logic
The logic for the inverse-time combined overcurrent elements 51PC1 and 51NC1 is shown in
Figure 3.23.

Table of Contents

Related product manuals