EasyManua.ls Logo

Sedecal SHF-310 - Page 175

Default Icon
427 pages
Print Icon
To Next Page IconTo Next Page
To Next Page IconTo Next Page
To Previous Page IconTo Previous Page
To Previous Page IconTo Previous Page
Loading...
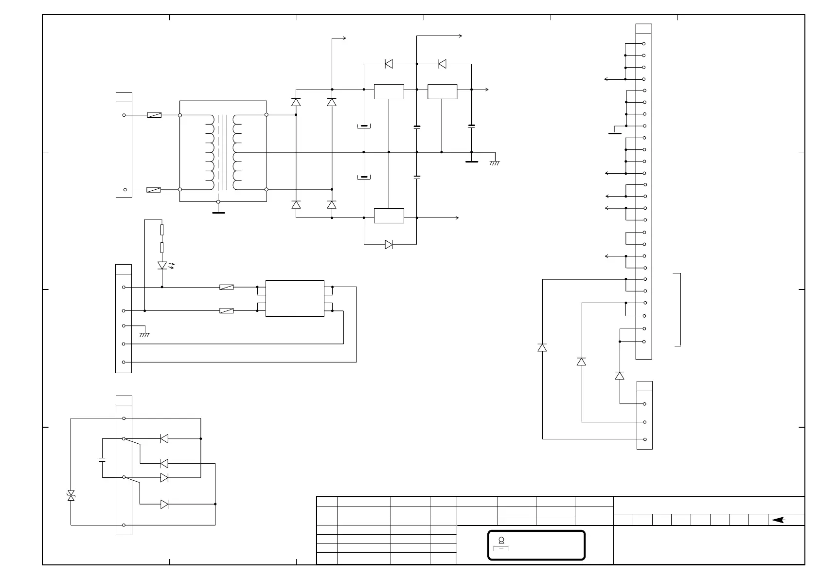
INTERFASE DRAC--HF
A3240--05
DWG:
NAME DATE
DRAWING
REVISED
SHEET / OF
AREVBCDE
F. GARCIA 27/09/97
1/1
A. DIAZ 27/09/97
REV DESCRIPTION ISSUED BY DATE
SEDECAL
AF.GARCIA05/02/98CN 98/018
BF.GARCIA09/02/98CN 98/025
C, D F. GARCIA 15/02/00CN 98/090, 99/94
EF.GARCIA03/05/01CN 01/075
CR2
1N4007
CR1
1N4007
REG1
7815
CR4
1N4007
CR3
1N4007
C1
2200 uF
C2
2200 uF
35 V
35 V
IN OUT
COM
C3
10 uF
C5
10 uF
35 V
35 V
REG3
7915
IN OUT
COM
REG2
7805
IN OUT
COM
C4
10 uF
35 V
CR5
1N4007
CR6
1N4007
CR7
1N4007
+5 VDC
--1 5 VD C
+15 VDC
J3
2
220 VAC SW
1
0VAC
15 VAC
15 VAC
F1
T0.5A
F2
T0.5A
TR1
220 VAC
+
+
+
J4
1
3
2
KT2
K1
1
J1
2
4
3
+5 VDC
+5 VDC
+5 VDC
+5 VDC
5
6
8
7
GND
GND
GND
GND
9
10
12
11
+15 VDC
+15 VDC
+15 VDC
+15 VDC
13
14
16
15
--1 5 VD C
--1 5 VD C
17
19
18
20
21
23
22
24
+15 VDC
--1 5 VD C
+5 VDC
T1 IF
T1 IF
25
26
J2
1
GND
2
+DC OUT
F3
T15A
--D C OU T
4
--DC I N
F4
T15A
3
T2 IF
T2 IF
T3 IF
T3 IF
K3
5
3
6
2
9
13
10
12
FILT1
CAR--DRAC
BUS
17814
5
+DC IN
J5
1
2
3
CR9
STTA1212DI
CR8
STTA1212DI
V
UNR
V
UNR
+5 VDC
R2
150K, 2w
R1
150K, 2w
DS1
HLMP1700
CR10
STTA1212DI
4
CR11
STTA1212DI
V
+5 VDC
+5 VDC
UNR
V
UNR
1
2
3
4
1
2
3
4
FE
FEDC BA
D
C6
220 nF
1000V
VR1
V480LA20A
CR12
1N4007
CR14
1N4007
CR13
1N4007
T1IF:T1toT2Commutation
T2 IF: Not Used
T3 IF: Break Control

Table of Contents

Related product manuals