EasyManua.ls Logo

Sedecal SHF-310 - Page 400

Default Icon
427 pages
Print Icon
To Next Page IconTo Next Page
To Next Page IconTo Next Page
To Previous Page IconTo Previous Page
To Previous Page IconTo Previous Page
Loading...
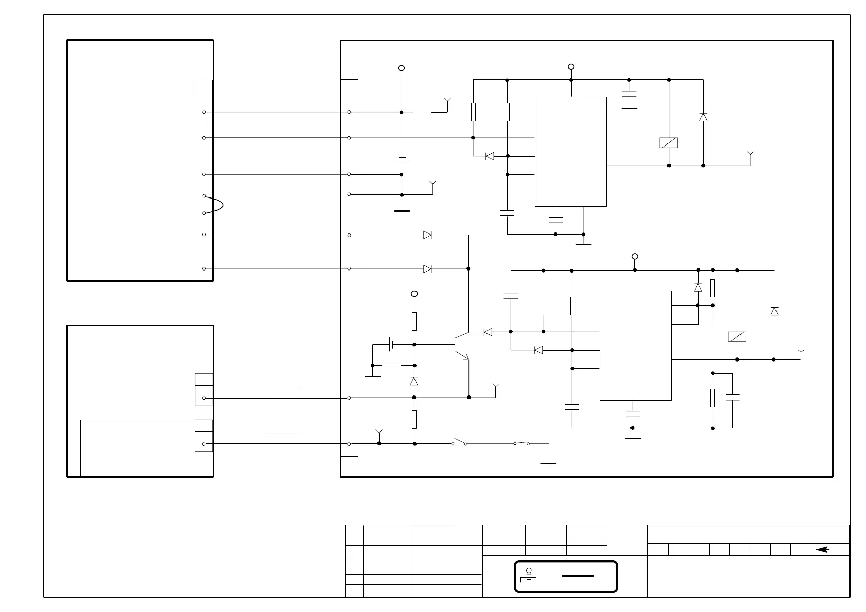
DELAYED SWITCH--OFF
A3274--01
DWG:
NAME DATE
DRAWING
REVISED
SHEET / OF
BREVC
F. GARCIA 05/05/98
1/1
A. DIAZ 05/05/98
REV DESCRIPTION ISSUED BY DATE
SEDECAL
INNERSCAN
470uF
C1
25V
3,3uF
C3
1N3595
CR1
1M
R2
+15VDC
14
37
10K
R1
100nF
C2
100nF
C4
K1
OFF
DLY
2
6
5
6
1
2
ICM7556
U1
3,3uF
C5
1N3595
CR2
1M5
R3
+15VDC
4
11
10K
R4
100nF
C6
K2
OFF
MANT
2
6
9
8
12
13
ICM7556
U1
J1
2
3
4
6
5
TP3
+15VDC
TP5
TP1
1uF
C7
TP2
1N3595
CR3
1N3595
CR5
1N3595
CR4
7
8
TP6
1
TP4
K1 K2
14 7--8 1 7--8
J4
6
5
1
22
24
4
J2
8
J1
PWR OFF
OFF COND
INTERFACE CONTROL BOARD
DELAYED SWITCH--OFF BOARD
( A3274--01 )
T2 RTN
T3 RTN
GND
RDY1 OUT
+15 VDC
CONTROL DRAC BOARD
GENERATOR
CABINET
+15VDC
10K
1N3595
2N4401
1K5
23
21
ADD JUMPER
10uF
1N3595
CR6
30K1
R7
C8
R6
CR7
R5
Q1
1N3595
CR9
OFF COND
PWR OFF
GND
OFF DLY
OFF MANT
+15V
F. GARCIA 13/01/99CN 99/003B
100nF
10
1M
1N4148
150K
F. GARCIA 06/09/00CN 00/183C
CR8
R8
R9
C9
1K5
R10

Table of Contents

Related product manuals