EasyManua.ls Logo

Sedecal SHF-310 - Page 408

Default Icon
427 pages
Print Icon
To Next Page IconTo Next Page
To Next Page IconTo Next Page
To Previous Page IconTo Previous Page
To Previous Page IconTo Previous Page
Loading...
A
A
B
B
C
C
D
D
E
E
4 4
3 3
2 2
1 1
3212-01
11/01/95
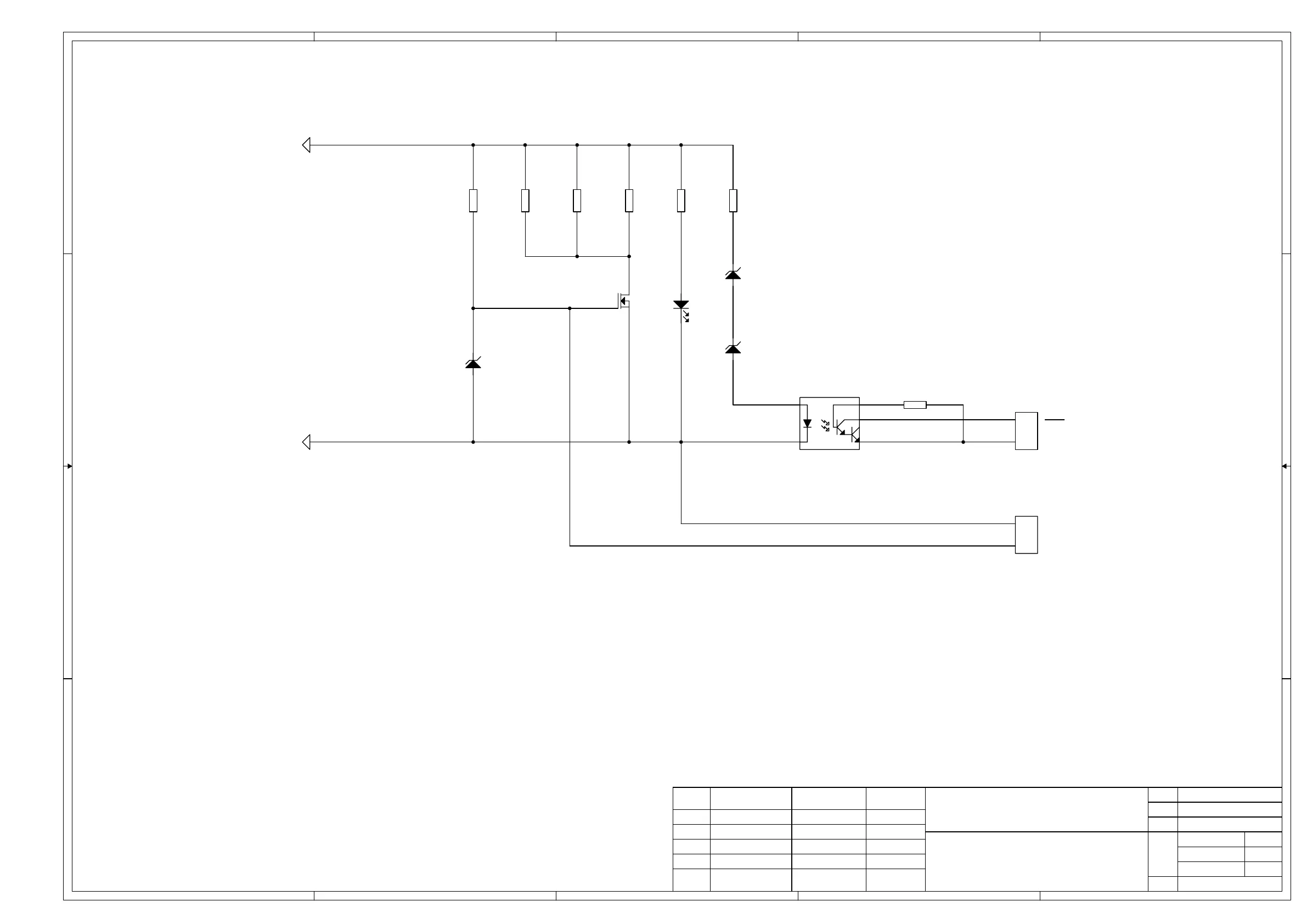
GND
TO MAIN STORAGE
CAPACITORS
CHRG
DISCHARGE
DISCHARGE RTN
F
DESCRIPTION ISSUED BY DATEREV
A
10/10/98
29/04/98
06/03/96
10/05/95
25/04/95
F.GARCIA
F.GARCIA
F.GARCIA
F.GARCIA
F.GARCIACN 95/74
CN 95/080
CN 96/033
CN 98/057
B
C
D
+
-
E
CN 98/114
CHARGE/DISCHARGE MONITOR
CN99/80 (22/07/99)
ENG
CHK
DWG
DATE
REV
F. GARCIA
A. DIAZ
SEDECAL S.A.
REV.
REV.
REV.
P2
1
2
R3
10K 15W
R4
10K 15W
U1
H11B1
1 6
2
5
4
CR2
BZX85C56V
R5
10K 15W
CR3
BZX85C56V
R2
100K 3W
R1
39K 15W
R6
27K 4W
R7
3M9
Q1
IRF840
P1
1
2
DS1
CR1
1N4733A

Table of Contents

Related product manuals