EasyManua.ls Logo

Simex multicon cmc-99 - Application of Logical Channel in the Hardware Input for TC8 Modules

Simex multicon cmc-99
300 pages
Print Icon
To Next Page IconTo Next Page
To Next Page IconTo Next Page
To Previous Page IconTo Previous Page
To Previous Page IconTo Previous Page
Loading...
User Manual For - CONTROLLER/DATA RECORDER MultiCon CMC-99/141
7.8.11.6. Application of Logical channel in the Hardware input for TC8 modules
See also: Appendices 8.6. TC4, TC8, TC12 THERMOCOUPLE SENSOR
MEASUREMENT MODULES and Chapter 7.8.6. Logical Channels - Math function mode.
Task:
In this example we calculate the mean value from logic channels 1÷8. In these channels
are values from thermocouple sensors that are located around the furnace.
Solution:
Before measuring temperature, user should configure the device as follows and then
connect the thermocouple sensors to the device. An example of the connection is shown in
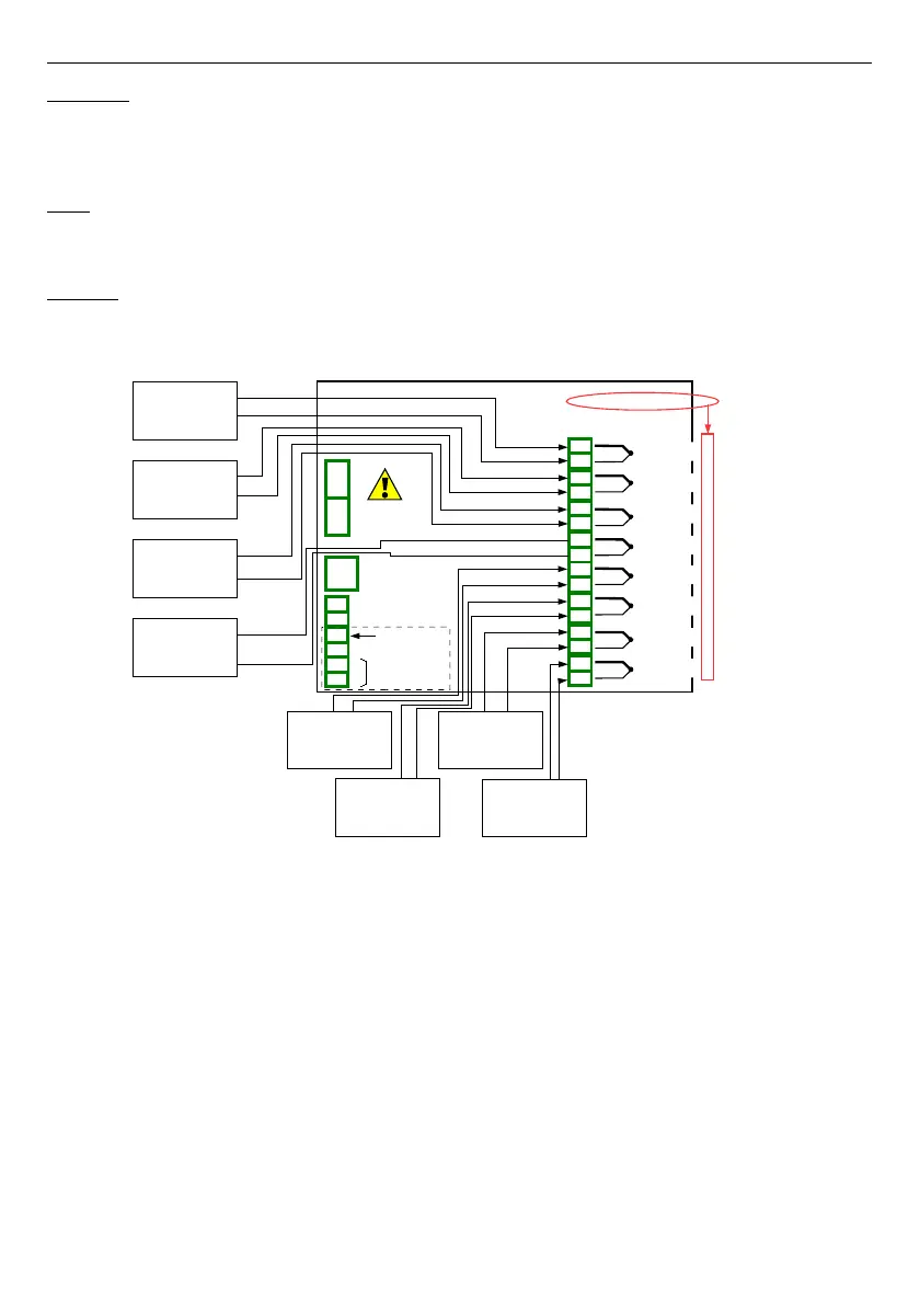
Fig. 7.70
.
Fig. 7.70. Schematic diagram for the TC8 module
To configure logical channels for reading temperatures from 1÷8 inputs (names
Temperature 1
,
Temperature 2
, etc.) should follow the same way as in
7.8.11.2.
Application of Logical channel in the Hardware input mode for TC4 modules
.
For Logical channel in
Math function
mode calculated an average value:
touch screen and press the
Menu
button,
press the
Device configuration
button,
enter
Logical channels
menu,
using the arrows in the top navigation bar, select any
logical channel
(except 1÷8)
such as
9
,
in Name parameter write
Mean value
,
Mode parameter set as
Math function
,
enter
Function
submenu to select the appropriate function that allows the
calculation of the mean value,
127
Power supply
(depending on version)
1
2
8
5
6
7
3
4
SERVICE
+24V DC ±5%
(
I
max. = 200mA)
digital input
0/15..24V DC
RS-485
GND
GN D
A+
B-
isolated
TC4
4 thermocouple input
IN1
+
-
IN2
+
-
IN3
+
-
IN4
+
-
n01
n02
n03
n04
n05
n06
n07
n08
1
5
6
7
4
2
Slot A
IN6
+
-
IN7
+
-
IN8
+
-
n09
n10
n11
n12
n13
n14
n15
n16
3
8
Inp.A1 : Thermocouple
Inp.A2 : Thermocouple
Inp.A3 : Thermocouple
Inp.A4 : Thermocouple
Inp.A5 : Thermocouple
Inp.A6 : Thermocouple
Inp.A7 : Thermocouple
Inp.A8 : Thermocouple
IN5
-
+

Table of Contents

Related product manuals