EasyManua.ls Logo

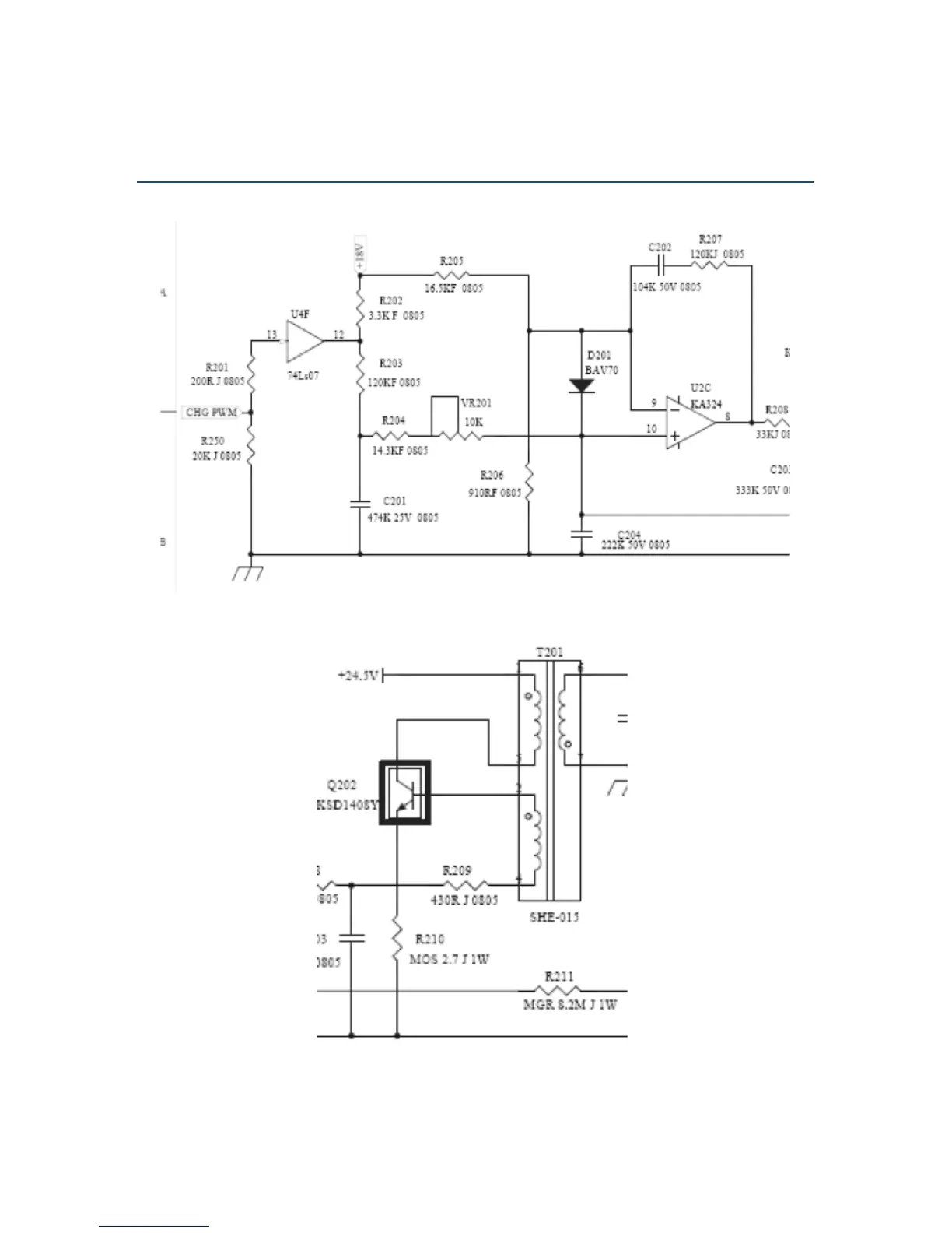
Sindoh M401 - Circuit Diagram-HVPS Input Section; PWM Input Section; RCC Control Drive Section

Sindoh M401
181 pages
Print Icon
To Next Page IconTo Next Page
To Next Page IconTo Next Page
To Previous Page IconTo Previous Page
To Previous Page IconTo Previous Page
Loading...
Circuit Diagram-HVPS Input Section
1. PWM Input Section
2. RCC Control drive section

Table of Contents

Related product manuals