EasyManua.ls Logo

Sindoh M401 - High Voltage Output

Sindoh M401
181 pages
Print Icon
To Next Page IconTo Next Page
To Next Page IconTo Next Page
To Previous Page IconTo Previous Page
To Previous Page IconTo Previous Page
Loading...
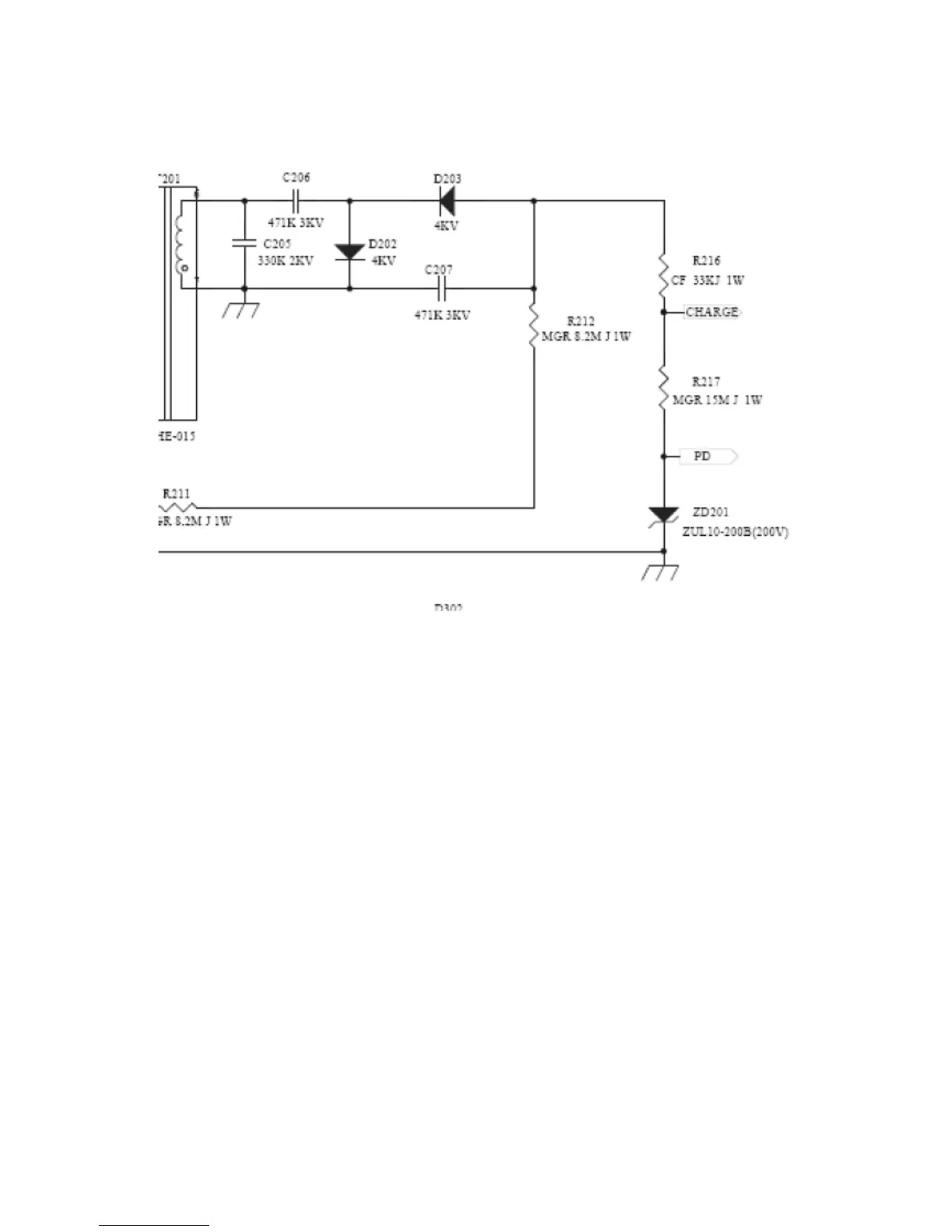
3. High Voltage Output

Table of Contents

Related product manuals