EasyManua.ls Logo

Sonoscape S30 - Internal IO Board; External Board; DVI Board

Sonoscape S30
139 pages
Print Icon
To Next Page IconTo Next Page
To Next Page IconTo Next Page
To Previous Page IconTo Previous Page
To Previous Page IconTo Previous Page
Loading...
21
Service Manual
3 Principle Descriptions
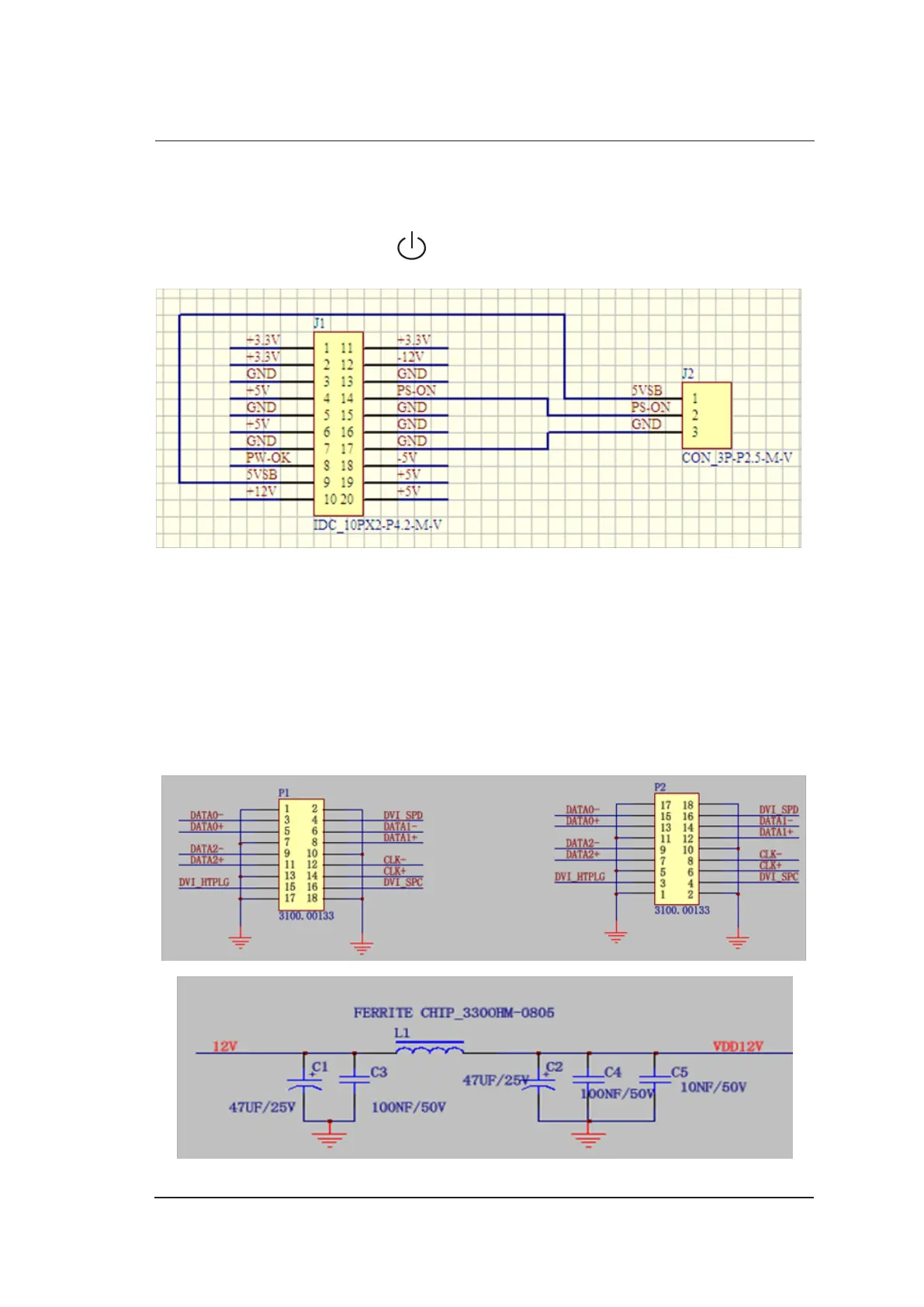
3.2.6 Internal IO Board
Internal IO board contains two connection components, which are used to connect switch power and
main board for system startup. After is pressed, PSON signal is transmitted to power supply by
internal IO board, and power supply works for the system after it receives PSON signal.
Figure 3-8 Internal IO Board Diagram
3.2.7 External Board
External IO board provides standard ports which are extended from PC main board. The ports
contains VGA, compound video, LAN, DICOM, printer control, audio output and USB ports.
3.2.8 DVI Board
The ultrasound system adopts DVI monitor. HDMI signal passes through PC main board and are
transmitted to DVI monitor interface by DVI signal conversion board.
Figure 3-9 DVI Board Diagram

Table of Contents