EasyManua.ls Logo

Sym Quad Lander 600 - Page 245

Sym Quad Lander 600
246 pages
Print Icon
To Next Page IconTo Next Page
To Next Page IconTo Next Page
To Previous Page IconTo Previous Page
To Previous Page IconTo Previous Page
Loading...
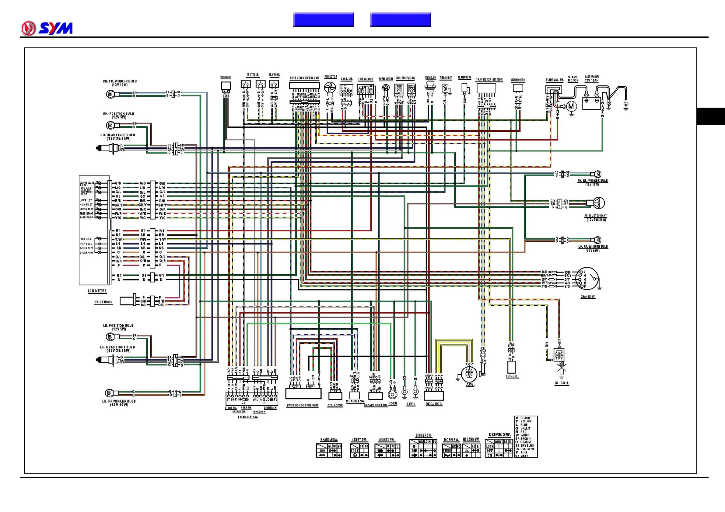
19. ELECTRICAL DIAGRAM
19-1
19
Homepage
Contents

Table of Contents

Related product manuals