EasyManua.ls Logo

Sym Quad Lander 600 - Ignition System

Sym Quad Lander 600
246 pages
Print Icon
To Next Page IconTo Next Page
To Next Page IconTo Next Page
To Previous Page IconTo Previous Page
To Previous Page IconTo Previous Page
Loading...
To this chapter contents
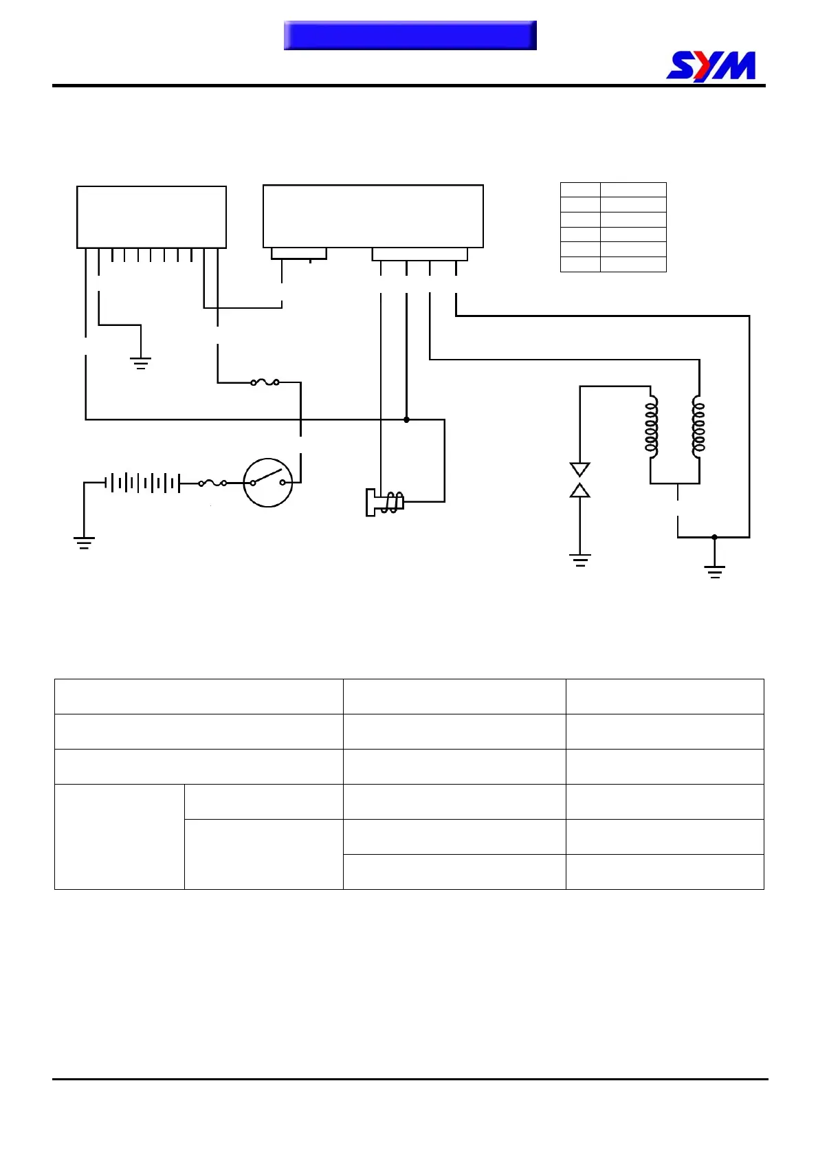
18. ELECTRICAL SYSTEM
Ignition System
Ignition circuit diagram
B Black
R Red
Shift Gear Control Unit
Full Transistor Ignition Unit
G Green
W White
Y Yellow
L Blue
18-8
Full Transistor Ignition Unit
Disconnect connectors of the full transistor ignition unit.
Check the following connectors as indicated in the table at the harness side.
Item Points to check Result
Main switch turn to “ON” position Red/Yellow ~ Green Battery voltage
Pulse generator Green/White ~ Blue/Yellow 480~550
Primary circuit Black/Yellow ~ Green
2.8±15%
Black/Yellow ~ with no cap
9.0K±20%
Ignition coil
Secondary circuit
Black/Yellow ~ with cap
14.0K±20%
Main switch
Pulse Generator
Spark Plug
Ignition
Coil
GB/Y
G
W/B
G/W L/Y
R/Y
G
W/R W/L
L/Y
Fuse 15A
B
Main fuse
30A
Battery

Table of Contents

Related product manuals