EasyManua.ls Logo

Valtra Versu N174 V

Valtra Versu N174 V
518 pages
To Next Page IconTo Next Page
To Next Page IconTo Next Page
To Previous Page IconTo Previous Page
To Previous Page IconTo Previous Page
Loading...
4.7.4.13 Adjusting the parking brake
The parking brake is adjusted in the factory and readjustment is not necessary
unless parts of the brake mechanism have been changed. Adjusting the driving
brakes affects the parking brake.
The parking brake is controlled with a spring return pressure cylinder and it is
connected to the drive brake mechanism by a cable.
IMPORTANT: Always adjust the driving brakes before adjusting the parking
brake.
1. Start the tractor.
2. Fit blocks in front of the front wheels to prevent the tractor from moving.
3. Move the power shuttle lever to neutral (centre position).
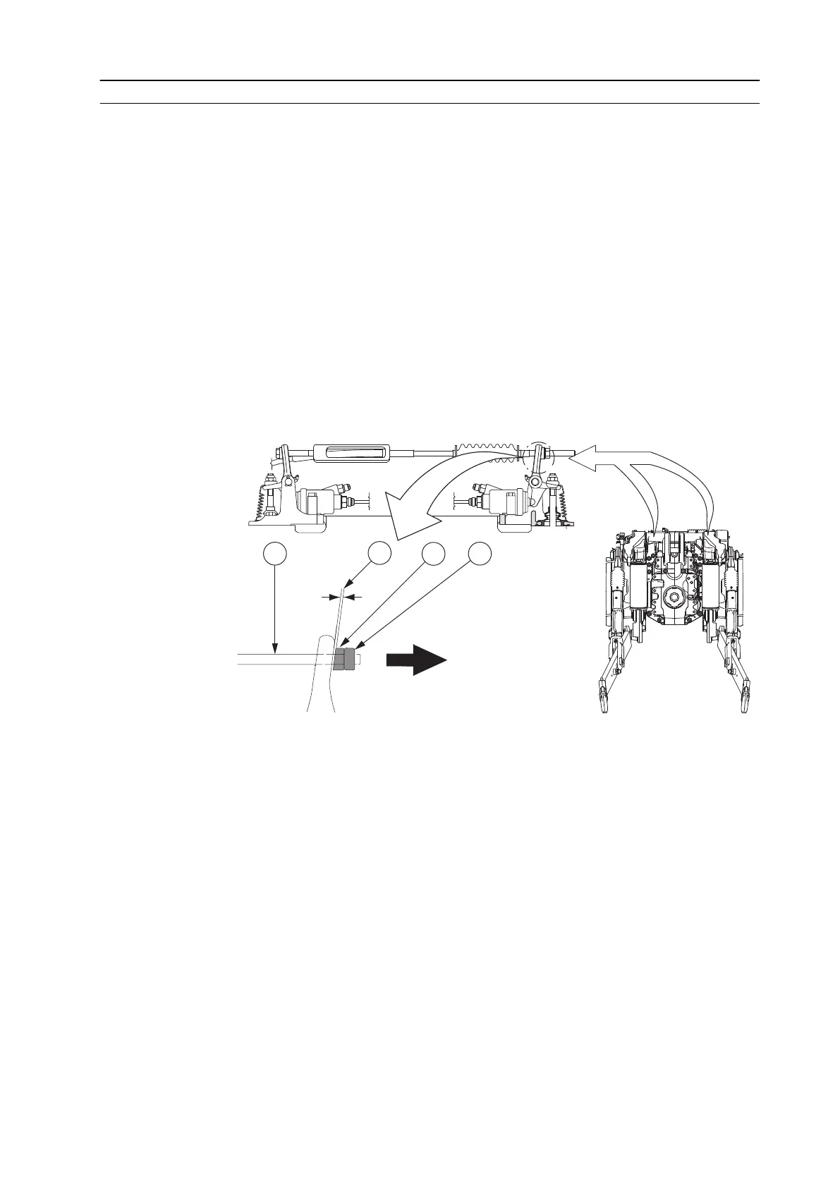
4. Pull the cable clearance to the end of the cable.
1
2
3
4
GUID-95B543EB-95AD-443E-92DC-56456798DC27
1. Cable
2. Clearance
3. Adjusting nut
4. Locking nut
5. Open the locking nut.
6. Adjust the clearance through the adjusting nut so that it is 1-2 mm.
7. Tighten the locking nut.
IMPORTANT: When mounting the parking brake cable, the cylinder side end has
to be mounted according to the tolerances. This should only be carried out by an
authorised Valtra workshop.
4. Maintenance
- 393 -

Table of Contents

Related product manuals