EasyManua.ls Logo

Valtra Versu N174 V

Valtra Versu N174 V
518 pages
To Next Page IconTo Next Page
To Next Page IconTo Next Page
To Previous Page IconTo Previous Page
To Previous Page IconTo Previous Page
Loading...
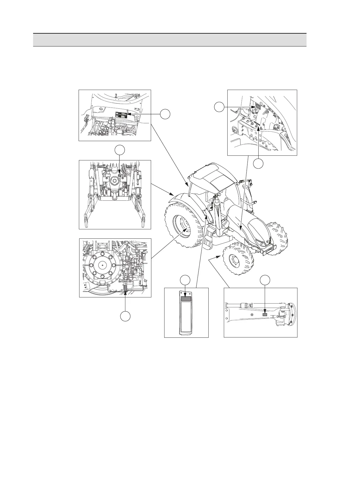
Tractor serial numbers
When ordering spare parts or service, give the model indication and serial
numbers and, in some cases, the engine, front axle, cab and transmission
numbers.
2
5
1
7
6
4
3
GUID-B63388E9-B3FA-45BB-BB8B-DFD2887A58F4
1. Cab number and Type plate EEC
Model = model indication
Identification number = tractor serial number
2. Power take-off identification number
3. Engine number
4. Tractor serial number
5. Transmission Identification number
6. Tractor technical details used by service/spare part department
7. Front axle number
- 2 -

Table of Contents

Related product manuals